Hydraulic Plunger Valve with Piston ,GGG50, PN 64 Bar for Drinking Water
PRODUCT INTRODUCTION
1. Description
Plunger valves are used mainly for water flow control and regulation in the pipeline, as well as discharge valves in dams. The axial movement of the piston allows flow regulation. Plunger needle valves perform very well, with silent movement, avoiding noises, water hammer effect and cavitation. Low pressure drops for opening more than 50%, while higher pressure loss happens whenever opening is lower than 40%.
Executions: gear box, electric actuator, hydraulic cylinder,hydraulic cylinder with counterweight lever.
2. Features
Flanges: UNI EN 1092-2 PN 10-16-25-40-64
Fig. 77 flanged PN 16; fig. 78 flanged PN 25, fig. 79 flanged PN 40, fig. 80 flanged PN 64
Design EN1074-1, EN 1074-5, EN 1092-2
Installation: horizontal
3. Application
Water supply, Drinking water, pumping stations, hydropower plants, dams
Epoxy painting suitable for potable drinking water applications
| Body | ductile iron GGG50, EN-GJS-500 |
|---|---|
| Piston | stainless steel aisi 304 |
| Seal ring | stainless steel aisi 304 |
| Stem | stainless steel aisi 420 |
| Seal - o ring | rubber |
| Plug - ogive | stainless steel |
| Painting | epoxy 200 mcr min. |
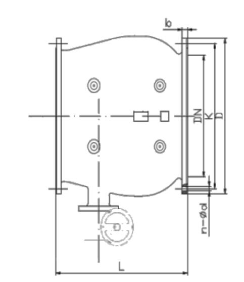
5. Hydraulic Control Valve Outsize Drawing

| DN | L mm. | D mm. | Weight kg. |
|---|---|---|---|
| 80 | 260 | 200 | 31 |
| 100 | 300 | 220 | 38 |
| 125 | 300 | 250 | 41 |
| 150 | 350 | 285 | 67 |
| 200 | 400 | 340 | 106 |
| 250 | 450 | 405 | 145 |
| 300 | 500 | 460 | 195 |
| 350 | 550 | 505 | 290 |
| 400 | 600 | 565 | 335 |
| 450 | 650 | 615 | 495 |
| 500 | 700 | 670 | 490 |
| 600 | 800 | 780 | 750 |
| 700 | 900 | 895 | 1005 |
| 800 | 1000 | 1015 | 1330 |
| 900 | 1100 | 1115 | 1770 |
| 1000 | 1200 | 1230 | 2290 |
| 1200 | 1400 | 1455 | 3575 |
| 1400 | 1600 | 1675 | 5030 |
If you require other sizes and valve design standards, please send email to angela@tjfmcn.com to get the drawing.
6. Hydraulic Control Valve Packing with Plywood

Please feel free to contact with us at angela@tjfmcn.com or filling up an enquiry form instructed at the bottom.
You will get an effective response within 24 hours from TongJiang Team.
Miss Angela
Mobile: +86 13588429004(Whatsapp)
Skype: angelazhuo1
E-mail: angela@tjfmcn.com
Tel No: +86 571 86991717
Official Website: www.zjtjvalve.com