Stainless Steel Butterfly Valve in Butt-Weld, AISI 304 L with Manual Handle
PRODUCT INTRODUCTION
1. Description our Sanitary Butterfly Valves
Sanitary Butt-weld Butterfly Valve with Pull Handle is constructed from 316 Stainless Steel with a 32Ra ID/OD polish. Butt-weld is available with your choice of end connection.
They are ideal for use in food or drink processing and other clean service applications. All of Adamant’s products include an ISO 5211 mounting pad for the direct mounting of actuators. Direct mount eliminates the need for extra space, weight, and cost. A full range of accessory items is available including pneumatic and electric actuators, limit switches, solenoid valves, and manual override devices.
2. Application
The manual type sanitary butterfly valve with butt-welded / butt- welded ends is widely used in process piping systems for isolation and control. The sanitary butterfly valve operates manually.
| Type | Butterfly Valve |
| Sizes | 1/2" to 12" (1/2", 3/4", 1”, 1 1/2", 2", 2 1/2", 3", 4", 5", 6", 8", 10", 12") |
| Diameter Nominal | DN15 - DN300 (DN15, DN20, DN25, DN40, DN50, DN65, DN80, DN100, DN125, DN150, DN200, DN250, DN300) |
| Valve body material | AISI 304 or AISI 316L, 304L and 316 materials |
| Max. working pressure | 145psi (10bar) for DN25/1"-DN100/4"; 116psi (8bar) for DN125/5"-DN150/6"; 73psi (5bar) for DN200/8"-DN300/12" |
| Temperature range | 14 ~ 248°F (-10 ~ 120°C) with EPDM seat, -58 ~ 356°F (-50 ~ +180°C) with VMQ (Silicone) seat |
| End connections | butt-welded / butt-welded |
| Operation | 4-position Pull handle as the product photo shows |
| Surface treatment | Ra 16-32μin (0.4-0.8μm), Ra 25 (0.5μm) is the default. |
| GRIPPER HANDLE 12 POSITION | PULL HANDLE 4 POSITION | ||||
![]() | ![]() | ||||
| |||||

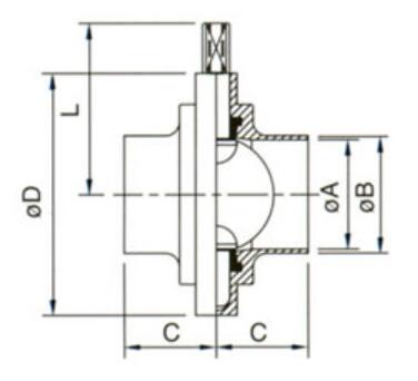
3A / BS / SMS Weld/Weld Butterfly Valves
| SIZE | A | B | SIZE | A | B | C | D | L |
| 1.0" | 22.1 | 25.4 | DN25 | 22.5 | 25 | 34 | 79 | 61 |
| 1.5" | 34.8 | 38.1 | DN38 | 35.4 | 38 | 38 | 85 | 64.3 |
| 2.0" | 47.5 | 50.8 | DN51 | 48.0 | 51 | 40 | 105 | 74.3 |
| 2.5" | 60.2 | 63.5 | DN63 | 60.2 | 63.5 | 40 | 112 | 77.6 |
| 3.0" | 72.2 | 76.2 | DN76 | 72.1 | 76.1 | 41 | 125 | 84.8 |
| 4.0" | 97.6 | 101.6 | DN104 | 100 | 104 | 44 | 157 | 101.6 |
Please feel free to contact with us at angela@tjfmcn.com or filling up an enquiry form instructed at the bottom.
You will get an effective response within 24 hours from TongJiang Team.
COMPANY PROFILE (Video)
floa
1. Our Factory
30 years experience of valve and pipeline industry.
10 senior technical engineers
20000 m2 production area
More than 100 employees to provide professional service.
As the reliable OEM for famous valve brand companies.
t ball valve
2. Factory Show
TONGJIANG Valve Technology Company was established for 30 years.
There are more than 100 employees which includes 10 professional engineers.

OUR SERVICE float ball valve
Reliable Quality, Competitive Price
Reply your inquiry in 2 hours with professional service.
Miss Angela
Mobile: +86 13588429004(Whatsapp)
Skype: angelazhuo1
E-mail: angela@tjfmcn.com
Tel No: +86 571 86991717
Official Website: www.zjtjvalve.com