R10GG Cylindrical fuse-link gG Size 10x38 500VAC 1A 0.5A to 32A FR10GG50V1
Applications:
gG type for protection of line, cable against overload and short circuit in various industrial application and electrical distribution circuits.
Part number : FR10GG50V1 FR10GG50V0.5 FR10GG50V2 FR10GG50V4 FR10GG50V6 FR10GG50V8 FR10GG50V10 FR10GG50V12 FR10GG50V16 FR10GG50V20 FR10GG50V25 FR10GG50V FR10GG40V10P
FR10GG40V32
FR10GG50V1
FR10GG50V0.5
FR10GG40V4P
FR10GG50V20
FR10GG50V2
FR10GG50V8
FR10GG25V32P
FR10GG50V25
Description:
aM and gG fuse-links cover a wide range of physical sizes and ampere ratings for 400, 500, and 690VAC for protection in electrical distribution circuits and various industrial applications.
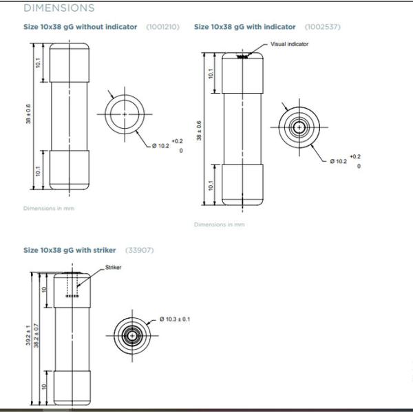
Most ratings are available in size 8x31 and size 10x38 with an optional indicator, and in size 14x51 and 22x58 with an optional striker to activate an auxiliary contact.
Size 10x38 is also available with striker.
All cylindrical fuse-links have ceramic bodies and silver-plated contacts.
Cylindrical fuse-links "gG" are used for the protection of cables, motors and LV-networks.
They limit and cut off unacceptable overcurrents and short-circuit currents up to their nominal breaking capacity.
Cylindrical fuse-links "gG" also protect electrical equipment and installations against the dynamic effect of high short-currents.
| Catalogue No | FR10GG50V1 |
| Description | Cylindrical fuse-link gG Size 10x38 IEC 500VAC 1A |
| Rated voltage AC IEC | 500 V |
| Rated voltage DC IEC | 250 V |
| Ampere Rating | 1 A |
| ROHS Compliant | Yes |
| AC or DC | AC/DC |
| Speed/Characteristic | gG |
| Fuse Size | 10x38 |
| Mounting | Clip |
| AC Max I.R./Breaking Capacity: I1 | 120 kA |
| Max. Rated Breaking Capacity DC | 100 kA @ 250 V, L/R = 15 ms |
| Connection/Terminal Material | Silver-Plated Copper |
| Connection/Terminal Type | Ferrule |
| Product Diameter | 10.3 mm |
| Product Length | 38 mm |
| Sell Pack Quantity | 10 EA |
| Sell Pack Weight | 0.083 kg |
| Sell Pack Width | 55 mm |
| Sell Pack Length | 81 mm |
| Sell Pack Height | 14 mm |
| Product group | Low Voltage IEC Fuses |
| Body/Insulating Material | Ceramic |
| Product Weight | 0.0083 kg |
| Power Dissipation at Rated Current Value | 0.45 W |




HVJ-1/8 A150X10-4 A150X45-4 A150X125-4 A150X450-4
A150X15-4 A150X50-4 A150X150-4 A150X500-4
A150X20-4 A150X60-4 A150X175-4 A150X600-4
A150X25-4 A150X70-4 A150X200-4 A150X800-4
A150X30-4 A150X80-4 A150X250-4 A150X1000-4
A150X35-4 A150X90-4 A150X300-4 A150X400
A150X40-4 A150X100-4 A150X400-4 A150X800-4
A150X1-1 A150X15-1 A150X20-1 A150X30-1 A150X1000-4 A150X125-3C