| PRODUCT DESCRIPTION | ||
| Model: 159-9453 1599543 0R-7790 Hydraulic Pump Piston Pump for Caterpillar CS-563C CP-533C CP-563C CS-533C Excavator Aftermarket Original | category: Hydraulic Pump | |
| Brand: CAT | Place of Origin:Other Country | |
| Condition: Original & Oem | Warranty: 12 months | |
| MOQ: 1 pcs | Production Capacity: 1000pcs /Month | |
| Standard or Nonstandard: Standard | Payment Term: L/C,T/T, Western Union, Tradeassurance | |
| Delivery Time: 1-3 days (depend on order) | Means of Transport: By Sea, Air or DHL/FEDEX/TNT/EMS | |
| Guarantee: We will check and send detailed pictures to buyers for confirmation | ||


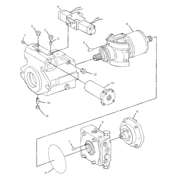
| Pos. | Part No | Qty | Parts name |
| 1 | 120-4394 | [1] | PLUG-BREAK OFF |
| 2 | 112-4628 | [3] | SCREW (7/16-20X0.5-IN) |
| 3 | 087-4774 | [2] | NOZZLE |
| 4 | 208-8003 Y | [1] | VALVE GP-PUMP CONTROL (VIBRATORY, FIXED DISPLACEMENT) |
| 5 | 167-6805 | [2] | PIN |
| 6 | 319-6708 Y | [1] | ROTATING GP-PUMP |
| 7 | 202-6535 | [1] | PIN |
| 8 | 177-0697 Y | [1] | HEAD GP-PUMP (VIBRATORY PISTON PUMP) |
| 9 | 128-1070 | [1] | KIT-CHARGE PUMP |
| (INCLUDES RETAINING RINGS, DRIVE SHAFT, SPRING, RING SEALS, PIN, 0-RING SEAL, BOLTS & COVER) | |||
| 10 | 112-4626 | [1] | PIN |
| 11 | 7J-6285 | [1] | SEAL-O-RING |
| 12 | 9S-8004 | [1] | PLUG (9/16-18-THD) |
| 13 | 178-3886 Y | [1] | ACTUATOR GP-PUMP |
| 14 | 9T-3928 | [1] | PLUG AS |
| 187-8001 | [1] | SEAL | |
| PARTS SHOWN IN GRAPHIC(S) WITHOUT A REFERENCE NUMBER ARE NOT SERVICED SEPARATELY | |||
| Y | SEPARATE ILLUSTRATION |








Why choose us?
1, Do you still find a company which can provide one-stop solution to your problem? Why not choose us?
2, Do you still find a company which could provide high-quality products with comparative price? How about choose us?
3, Do you still find a company which is glad to to take good service to make you feel at home? Why do not take us into consideration?
4, Do you have a high requirements for products, ant hope it could have large stock, short delivery time and long warranty period? Welcome to our company and choose products that meet your needs.
5, As a professional company in this industry, we have accurate data to follow the excavator brand part number inquiry, guarantees the product’s correct rate.You can trust us because we can find parts for nearly all your needs.