Hollow piston hydraulic jack
Product description
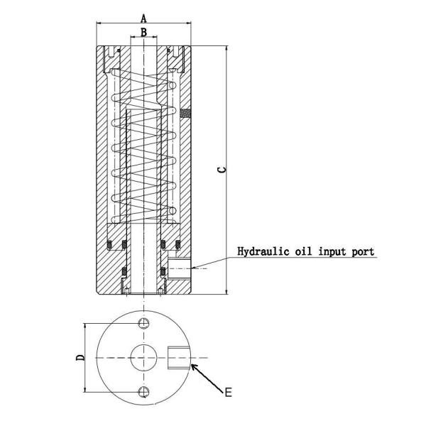
1. Hollow plunger jacks can be used for both pulling and pushing
2. Alloy steel material is stronger
3. Hollow plunger design, single-acting, spring return
4. Mounting holes at the bottom for easy installation
5. 3/8NPT oil inlet design is more conducive to piston retraction
6. Note: This product is a non-standard product, all such products are customized according to user requirements Technical data is for reference only
Common knowledge of hydraulic cylinders
1. Calculation method of hydraulic jack: hydraulic area x working pressure
2. If the hydraulic cylinder is not used for a long time, please keep some hydraulic oil inside the cylinder
3. Please use anti-wear hydraulic oil for hydraulic oil
4. Please change the hydraulic oil regularly
6. The bottom of the hydraulic jack must be placed on a level place before it can be used
7. Do not use hydraulic jacks for partial load
8. Please take safety precautions when using hydraulic jacks
9. We are a complete manufacturer of the system. We not only manufacture hydraulic cylinders but also provide high-pressure oil pumps, pressure gauges and various high-pressure valves and intelligent hydraulic systems
Technical data
| Type | Jacking force KN | Stroke mm | A mm | B mm | C mm | D mm | E |
| RCH-120 | 125 | 8 | 69 | 20 | 55 | 51 | 3/8NPT |
| RCH-121 | 42 | 69 | 20 | 120 | 51 | 3/8NPT | |
| RCH-1211 | 42 | 69 | 20 | 120 | 51 | 3/8NPT | |
| RCH-123 | 76 | 69 | 20 | 184 | 51 | 3/8NPT |
| Type | Jacking force KN | Stroke mm | A mm | B mm | C mm | D mm | E |
| RCH-202 | 215 | 49 | 98 | 27 | 162 | 82 | 3/8NPT |
| RCH-206 | 215 | 155 | 98 | 27 | 306 | 82 | 3/8NPT |
| RCH-302 | 326 | 64 | 114 | 33 | 178 | 92 | 3/8NPT |
| RCH-306 | 326 | 155 | 114 | 33 | 330 | 92 | 3/8NPT |
| RCH-603 | 576 | 76 | 159 | 54 | 247 | 130 | 3/8NPT |
| RCH-606 | 576 | 153 | 159 | 54 | 323 | 130 | 3/8NPT |
| RCH-1003 | 931 | 76 | 212 | 80 | 254 | 178 | 3/8NPT |

