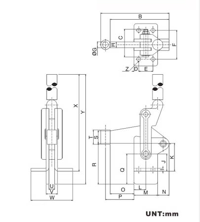
Clamping Force 300kg Heavy Duty Toggle Clamp 70300B Flanged Mounting Base Oxidation Treatment Surface
Product Specification and features:
Material :Forged Steel
Weight:310g
Holding Capacity:300kg
Bar Opens:210 degree
Handle Opens:134 degree
Surface:Oxidation Treatment
Application : Car Industry Welding

