HW-322V060H11
The CMM has been developed for the aerospace,avionics,instrumentation & control,defence and transportation markets,with applications that induce IFES,HUDs,fight controls,FADEC units,radars,missiles, electro-optical sighting systems,satellites,mobile radios,power supplies,UAVs and engine controls.It is also used engine controls.It is also used in a growing number of medical,and telecom applications,The CMM MICRO CONNECTOR interconnection system is a 2mm pitch connector (square matrix) witch proven high.
Part numbering:

| REFERENCE
| ASSEMBLY ON PCB
| OVERALL DIMENSIONS
| RECOMMENDATION
|
|
|
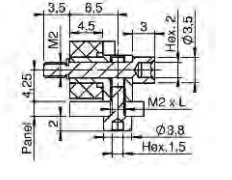
| ![]() | H01/H01C : CMM female : Y-YL-S-C-E (D : straight) CMM male : Y-YL-S-C-E (D : straight)
|
| H08 PCB : 1 min. / 2 max. H08M PCB : 2 min. / 3 max. H08L PCB : 3 min. / 4 max
| ![]() | ![]() | H08/H08M/H08L : CMM female : V-VL-S-C-E (D : 90°) CMM male : V-VL-R-S-C-E (D : 90°)
|
Product showing:



