HW-321V036F46
The CMM has been developed for the aerospace,avionics,instrumentation & control,defence and transportation markets,with applications that induce IFES,HUDs,fight controls,FADEC units,radars,missiles, electro-optical sighting systems,satellites,mobile radios,power supplies,UAVs and engine controls.It is also used engine controls.It is also used in a growing number of medical,and telecom applications,The CMM MICRO CONNECTOR interconnection system is a 2mm pitch connector (square matrix) witch proven high.
Part numbering:

| Type | L |
| V | 3 |
| VL | 4,5 |
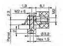
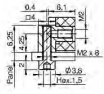
CMM 320/340 MALE AND FEMALE TAPPED FIXING HARDWARE
| REFERENCE | ASSEMBLY ON PCB | OVERALL DIMENSIONS | RECOMMENDATION |
| F46 | ![]() | ![]() | F46 : CMM female : V-VL-S-C-E (D : 90°) CMM male : V-VL-R-S-C-E (D : 90°)
|
| M51 | ![]() | ![]() | F51 : CMM female : V-VL-S-C-E (D : 90°) CMM male : V-VL-R-S-C-E (D : 90°)
|
| F50 | ![]() | ![]() | F50 : Card edge LF contact or mixed
|
| F57 | ![]() | ![]() | ![]() |
| M45 | ![]() | ![]() | ![]() |
Product Pictures:



