CT03 series Current transformer for working frequency 50-400Hz With burnt-resistant ABS case epoxy resin HI-POT 3000VAC
Features:
1. With high permeability core, excellent linearity, excellent linear performance
2. It is applicable for working frequency 50-400Hz
3. With burnt-resistant ABS case and epoxy resin, current transformer can reach insulation resistance of 500VDC ≥100mΩ, electrical strength 3000VAC,1mA 60S.
4. Under the ambient temperature -25℃ ~75℃, CT03 serires are main applied in power transducer, RTU, power meter and other electric monitering meters.
For our current transformers, which are produced by using high permeability permalloy core or good quality laminated silicon steel core, inflammable epoxy resin and case with our high precision toroidal winding machine & current transformer testers, steady quality and reliable safety, are widely applied in electronic energy meter, power transducer, RTU, electronical monitoring meter, power factor compensator, digital meter, motor control, industrial control system, electrical meter equipment, etc.

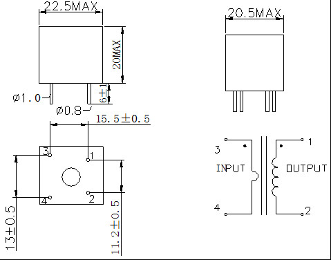
| Dim(mm) P/N | CT03A | CT03B | CT03C | CT03D | CT03E |
| Dim | |||||
| A | 20 | 20 | 17.6 | 17.6 | 27 |
| B | 18.8 | 18.8 | 17.8 | 17.8 | 20 |
| C | 21.4 | 21.4 | 19.1 | 19.1 | 27 |
| D | 15.5 | 15.5 | 15.5 | 15.5 | 20 |
| E | 12.7 | 12.7 | 12 | 12 | 20 |
| F | 11 | 11 | 10.5 | 10.5 | 10 |
| G | 0.8 | 0.8 | 0.8 | 0.8 | 0.8 |
| H | 6 | 6 | 6 | 6 | 6 |
| I | 3.5 | 4 | 6 |
| Performance & Specification | |||||||
| Part No. | Rated primary current (A) | Max primary current (A) | Rated secondary current (A) | Current ratio | Max load resistance (Ω) | Linear (%) | Outline |
| CT03A | 5 | 25 | 2.5 | 2000:1 | 500 | 0.1 | CT03A |
| CT03B | 1 | 5 | 2 | 2500:5 | 2000 | 0.1 | CT03B |
| 1 | 5 | 2.5 | 2000:5 | 200 | 0.1 | ||
| CT03C | 5 | 25 | 2 | 2500:1 | 800 | 0.1 | CT03C |
| 5 | 20 | 5 | 1000:1 | 200 | 0.1 | ||
| CT03D | 5 | 10 | 2 | 2500:1 | 800 | 0.1 | CT03D |
| 5 | 10 | 2.5 | 2000:1 | 500 | 0.1 | ||
| CT03E | 5 | 30 | 5 | 1000:1 | 300 | 0.1 | CT03E |
| 5 | 40 | 2 | 2500:1 | 1000 | 0.1 | ||
| 5 | 40 | 2.5 | 2000:1 | 800 | 0.1 | ||
| 10 | 50 | 10 | 1000:1 | 100 | 0.1 | ||
For example
CT03B-5(15)A/10mA

| ELECTRICAL CHARACTERSTIC: | ||||||
| NO. | ITEM | MEASURED POINT | TECHNICAL DATA | REMARK | ||
| 1 | INPUT CURRENT | 3--4 | 5A | |||
| 2 | OUTPUT CURRENT | 1--2 | 10mA | |||
| 3 | OVERLOAD CURRENT | 15A | ||||
| 4 | LOAD RESISTANCE | 50Ω | ||||
| 5 | DCR Resistance | 1--2 | 60ΩMAX | |||
| 6 | Nominal working frequecncy | 40~480Hz | ||||
| 7 | HI-POT | P-S | 2500V AC 50Hz 60s | |||
| MATERIAL LIST AND TEST THE CONDITION: | |||||
| 1 | CASE | ABS UL94-V0 | |||
| 2 | POTTING MATERIAL | EPOXY RESIN | |||
| 3 | TEMPERATURE | -30℃~80℃ | |||
