Mini shrinking tubing Radial inductor DR4*6 Operating temperature: -55 to 105°C Shielded structure is available
DR radial inductor
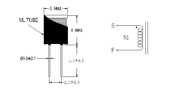
The DR inductor is a small electric component which occupies a small area on PCB. The four models of our DR inductor mainly differ in appearance. The two pins of the PK model are on the same side, while the VC model put the pins on separated sides. Different models may have different overall sizes, pin lengths, pin diameters, or pin intervals. Our production process is very precise so that the difference in pin length is less than 2mm, and the difference in pin intervals is less than 0.3mm.
| Model | Size (mm) | ||||
| A (mm) Max | B (mm) Max | C (mm) ±2 | D (mm) ±0.3 | E (mm) ±0.3 | |
| DR4 ×6 | 6 | 8 | 5 | 0.6 | 3 |
| DR6 ×8 | 7.8 | 10 | 5 | 0.6 | 3 |
| DR8 ×10 | 10.5 | 12 | 5 | 0.65 | 5 |
| DR9 ×12 | 11.5 | 14 | 5 | 0.8 | 5 |
Feature
UL-polyolefin shrinking tubing leaded inductors
High-reliability leaded inductors
Excellent heat resistance
Shielded structure is available
large current DR core power line choke coils
Axial leaded power inductor
Radial leaded power line inductor chokes
Operating temperature: -55 to 105°C
Power: 200, 250, 300 and 500W
Voltage: 100V/230, 50Hz
Inductance value is 800uH±20% at 1KHz 0.25V
PF value: greater than 98%
Tested at 100kHz, 0.1Vrms inductance of 10%uH
DC current at which the inductance drops 10% (type) from itsvalue without current
Electrical characteristics at 25°C
Insulation: class B (130°C), class F (155°C), class H(180°C), class N (200°C) and class R (220°C)
Certifications: UL, CQC and CE
Excellent utilization of electricity, good for environment protection
Customized specifications are accepted
Applications:
(1) Video cameras.
(2) Portable VCRs.
(3) Audio equipments.
(4) TV tunners.
(5) Switching power supplies.
(6) Other circuits of consideration aganist radiation.

| WINDING PARAMETER: | ||||||
| NO. | WINDING | MATERIAL | S--F | TURNS | REMARK | |
| 1 | N1 | 2UEW ∮0.08*1P | S--F | 208 REF | ||
| ELECTRICAL CHARACTERISTIC: | ||||||
| NO. | ITEM | MEASURE POINT | TECHNICAL DATA | TEST CONDITION | ||
| 1 | IND/Lo | S--F | 800uH±20% | @1KHz 0.25V | ||
| 2 | IND/Ladd | S--F | | Ladd-Lo|/Lo≤10% | @1KHz 0.25V DC 150mA |
||
| 3 | Q | S--F | 50.0 MIN | @200KHz 0.25V | ||
| 4 | DCR | S--F | 2.0Ω MAX | @25℃ | ||
| MATERIAL LIST: | ||||||
| NO. | MATERIAL NAME | MATERIAL SPEC. | PROVIDER | UL·NO | ||
| 1 | CORE | H18 DR2W4*6 | FENGYIN ELECTRONICS(DG)CO.,LTD HERALS ELECTRONICS CO.,LTD OR EQUIVALENT |
|||
| 2 | WIRE | MW-79C 2UEWF 155℃ | TAI-I ELECTRIC WIRE &CABLE CO.,LTD HUI ZHOU CITY DENGGAODA ELECTROTECH CO.,LTD OR EQUIVALENT |
E85640 E253843 |
||
| 3 | SHRINK TUBE | RSFR-X 125℃ TUBE | WOER | |||
Notes:
1. Wire:130°C or150°C.
2. The above specifications for the common specifications, customers can request custom design.
General information:
It is recommended that the temperature of the part does not exceed +125°C under worst case conditions.
Storage Temperature: -40°C to 85°C
Operating Temperature: -40°C to 125°C
Test conditions of Electrical Properties: 20°C, 33% RH if not specified differently
| OPERATING TEMPERATURE RANGE, PACKAGE QUANTITY, PRODUCT WEIGHT | |||||
| Temperature range | Humidity range | Standard test conditions | |||
| Operating temperature* | Storage temperature | Operating temperature** | Storage temperature** | Operating temperature** | Storage temperature** |
| ( ℃) | ( ℃) | ( % RH) | ( % RH) | ( ℃) | ( % RH) |
| -30 to +120 | -40 to +80 | 10 to +95 | 10 to +95 | 25 ± 10 | 25 to +75 |
* With self-heating
** Maximum wet-bulb temperature 38°C, without dewing
*** Without dewing
