Vertical T22 common mode choke with 5 windings used in switching power supply and drivers,High Saturation material
Feature for High Quality toroidal inductor common mode choke ROHS :
1. High Saturation material,low cost &high efficiency
2. wide inductance range,high current capability low magnetic leakage
3. low DC resistance,good control on noise due to the toriodal constructure
4. Characteristics:Small volume,Big current output,Excellent current choking performance.
5. Various material availiable to meet different frequency requirements
6. For SMPS application
7. RoHS compatible (Pb free) versions available
8. Good frequency characteristic
9. With high impedance
10. Dielectric strength:1000V. Fixed pin spacing allow easy PCB insertion.
11. Custom Designs Available.
Application:
widely applied in various switching power suppliers and high frequency electronic equipmentNoise suppression of DC circuit for switching regulator.
DC/DC,AC/AC line noise suppression
Automotive System.
Communication System.
Competitive Advantage:
1. High grade raw material from famous supplier
2. Big quality control teams ensure good quality of every single piece of product.
3. 6S, QCC and SPC management systems ensure the quality consistence
4. Strong R. & D team

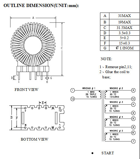
| WINDING PARAMETER: | ||||||
| NO. | WINDING | S--F | TURNS | REMARK | ||
| 1 | WINDING1 | 1--12 | 15TS | SPACED | ||
| 2 | WINDING2 | 3--10 | 15TS | SPACED | ||
| 3 | WINDING3 | 4--9 | 15TS | SPACED | ||
| 4 | WINDING4 | 5--8 | 15TS | SPACED | ||
| 5 | WINDING5 | 6--7 | 15TS | SPACED | ||
| ELECTRICAL CHARACTERISTIC: | |||||||
| NO. | ITEM | MEASURE POINT | TECHNICAL DATA | REMARK | |||
| 1 | INDUCTANCE | 1--12 | 236uH--440uH | 10KHz 0.1V | |||
| MATERIAL LIST: | |||||
| NO. | MATERIAL NAME | MATERIAL SPEC. | PROVIDER | UL NO. | |
| 1 | CORE | TX22/14/6.4-3C90/ZP42206TC | FERROXCUBE/MAGNETICS | ||
| 2 | BOBBIN | T355J / PB-03 | CHANGCHUN /PINSHINE | E59481 E163831 |
|
| 3 | WIRE | TXXA01TXXX-1.5 | RUBADUE | E206198 | |
| 4 | EPOXY | E-500 | EATTO | ||
General information:
It is recommended that the temperature of the part does not exceed +125°C under worst case conditions.
Storage Temperature: -40°C to 85°C
Operating Temperature: -40°C to 125°C
Test conditions of Electrical Properties: 20°C, 33% RH if not specified differently
| OPERATING TEMPERATURE RANGE, PACKAGE QUANTITY, PRODUCT WEIGHT | |||||
| Temperature range | Humidity range | Standard test conditions | |||
| Operating temperature* | Storage temperature | Operating temperature** | Storage temperature** | Operating temperature** | Storage temperature** |
| ( ℃) | ( ℃) | ( % RH) | ( % RH) | ( ℃) | ( % RH) |
| -30 to +120 | -40 to +80 | 10 to +95 | 10 to +95 | 25 ± 10 | 25 to +75 |
* With self-heating
** Maximum wet-bulb temperature 38°C, without dewing
*** Without dewing
