Plain Spring Washer Alloy 600 Inconel 600 UNS N06600 DIN 125 DIN 127
1.Metric, Flat Washers Specification DIN 125

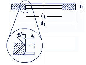
The dimensional limits of metric washers sizes M1.6 to M28
| Thread Size | d1 | d2 | h | d3 | ||||
| Clearance Hole Diameter | Outside Diameter | Thickness | ||||||
| Min. | Max. | Max. | Min. | Max. | Min. | Max. | Min. | |
| M1.6 | 1.7 | 1.84 | 4 | 3.7 | 0.35 | 0.25 | 2 | 1.8 |
| M1.7 | 1.8 | 1.94 | 4.5 | 4.2 | 0.35 | 0.25 | 2.1 | 1.9 |
| M2 | 2.2 | 2.34 | 5 | 4.7 | 0.35 | 0.25 | 2.6 | 2.4 |
| M2.3 | 2.5 | 2.64 | 6 | 5.7 | 0.55 | 0.45 | 2.9 | 2.7 |
| M2.5 | 2.7 | 2.84 | 6 | 5.7 | 0.55 | 0.45 | 3.1 | 2.9 |
| M2.6 | 2.8 | 2.94 | 7 | 6.64 | 0.55 | 0.45 | 3.2 | 3 |
| M3 | 3.2 | 3.38 | 7 | 6.64 | 0.55 | 0.45 | 3.6 | 3.4 |
| M3.5 | 3.7 | 3.88 | 8 | 7.64 | 0.55 | 0.45 | 4.1 | 3.9 |
| M4 | 4.3 | 4.48 | 9 | 8.64 | 0.9 | 0.7 | 4.7 | 4.5 |
| M5 | 5.3 | 5.48 | 10 | 9.64 | 1.1 | 0.9 | 5.7 | 5.5 |
| M6 | 6.4 | 6.62 | 12 | 11.57 | 1.8 | 1.4 | 6.8 | 6.6 |
| M7 | 7.4 | 7.62 | 14 | 13.57 | 1.8 | 1.4 | 7.8 | 7.6 |
| M8 | 8.4 | 8.62 | 16 | 15.57 | 1.8 | 1.4 | 9.2 | 9 |
| M10 | 10.5 | 10.77 | 20 | 19.48 | 2.2 | 1.8 | 11.2 | 11 |
| M12 | 13 | 13.27 | 24 | 23.48 | 2.7 | 2.3 | 13.7 | 13.5 |
| M14 | 15 | 15.27 | 28 | 27.48 | 2.7 | 2.3 | 15.7 | 15.5 |
| M16 | 17 | 17.27 | 30 | 29.48 | 3.3 | 2.7 | 17.7 | 17.5 |
| M18 | 19 | 19.33 | 34 | 33.38 | 3.3 | 2.7 | 20.2 | 20 |
| M20 | 21 | 21.33 | 37 | 36.38 | 3.3 | 2.7 | 22.4 | 22 |
| M22 | 23 | 23.33 | 39 | 38.38 | 3.3 | 2.7 | 24.4 | 24 |
| M24 | 25 | 25.33 | 44 | 43.38 | 4.3 | 3.7 | 26.4 | 26 |
| M26 | 27 | 27.33 | 50 | 49.38 | 4.3 | 3.7 | 28.4 | 28 |
| M27 | 28 | 28.33 | 50 | 49.38 | 4.3 | 3.7 | 30.4 | 30 |
| M28 | 29 | 29.33 | 50 | 49.38 | 4.3 | 3.7 | 31.4 | 31 |
The dimensional limits of metric washers sizes M30 to M160
| Thread Size | d1 | d2 | h | |||||
| Clearance Hole Diameter | Outside Diameter | Thickness | ||||||
| Min. | Max. | Max. | Min. | Max. | Min. | Max. | Min. | |
| M30 | 31 | 31.39 | 56 | 55.26 | 4.3 | 3.7 | 33.4 | 33 |
| M32 | 33 | 33.62 | 60 | 58.8 | 5.6 | 4.4 | 35.4 | 35 |
| M33 | 34 | 34.62 | 60 | 58.8 | 5.6 | 4.4 | 36.4 | 36 |
| M35 | 36 | 36.62 | 66 | 64.8 | 5.6 | 4.4 | 38.4 | 38 |
| M36 | 37 | 37.62 | 66 | 64.8 | 5.6 | 4.4 | 39.4 | 39 |
| M38 | 39 | 39.62 | 72 | 70.8 | 6.6 | 5.4 | 41.4 | 41 |
| M39 | 40 | 40.62 | 72 | 70.8 | 6.6 | 5.4 | 42.4 | 42 |
| M40 | 41 | 41.62 | 72 | 70.8 | 6.6 | 5.4 | 43.6 | 43 |
| M42 | 43 | 43.62 | 78 | 76.8 | 8 | 6 | 45.6 | 45 |
| M45 | 46 | 46.62 | 85 | 83.6 | 8 | 6 | 48.6 | 48 |
| M48 | 50 | 50.62 | 92 | 90.6 | 9 | 7 | 52.6 | 52 |
| M50 | 52 | 52.74 | 92 | 90.6 | 9 | 7 | 54.6 | 54 |
| M52 | 54 | 54.74 | 98 | 96.6 | 9 | 7 | 56.6 | 56 |
| M55 | 57 | 57.74 | 105 | 103.6 | 10 | 8 | 60 | 59 |
| M56 | 58 | 58.74 | 105 | 103.6 | 10 | 8 | 63 | 62 |
| M58 | 60 | 60.74 | 110 | 108.6 | 10 | 8 | 65 | 64 |
| M60 | 62 | 62.74 | 110 | 108.6 | 10 | 8 | 67 | 66 |
| M64 | 66 | 66.74 | 115 | 113.6 | 10 | 8 | 71 | 70 |
| M68 | 70 | 70.74 | 120 | 118.6 | 11 | 9 | 75 | 74 |
| M72 | 74 | 74.74 | 125 | 123.4 | 11 | 9 | 79 | 78 |
| M76 | 78 | 78.74 | 135 | 133.4 | 11 | 9 | 83 | 82 |
| M80 | 82 | 82.87 | 140 | 138.4 | 13.2 | 10.8 | 87 | 86 |
| M85 | 87 | 87.87 | 145 | 143.4 | 13.2 | 10.8 | 92 | 91 |
| M90 | 93 | 93.87 | 160 | 158.4 | 13.2 | 10.8 | 97 | 96 |
| M95 | 98 | 98.87 | 165 | 163.4 | 13.2 | 10.8 | 102 | 101 |
| M100 | 104 | 104.87 | 175 | 173.4 | 15.2 | 12.8 | 108 | 107 |
| M105 | 109 | 109.87 | 180 | 178.4 | 15.2 | 12.8 | 113 | 112 |
| M110 | 114 | 114.87 | 185 | 183.15 | 15.2 | 12.8 | 118 | 117 |
| M115 | 119 | 119.87 | 200 | 188.15 | 15.2 | 12.8 | 123 | 122 |
| M120 | 124 | 125 | 210 | 208.15 | 17.2 | 14.8 | 128 | 127 |
| M125 | 129 | 130 | 220 | 218.15 | 17.2 | 14.8 | 133 | 132 |
| M130 | 134 | 135 | 220 | 218.15 | 17.2 | 14.8 | 138 | 137 |
| M135 | 139 | 140 | 230 | 228.15 | 17.2 | 14.8 | 143 | 142 |
| M140 | 144 | 145 | 240 | 238.15 | 19.2 | 16.8 | 148 | 147 |
| M145 | 149 | 150 | 250 | 248.15 | 19.2 | 16.8 | 153 | 152 |
| M150 | 155 | 156 | 250 | 248.15 | 19.2 | 16.8 | 159 | 158 |
| M160 | 165 | 166 | 250 | 248.15 | 19.2 | 16.8 | 169 | 168 |

DIN 127 A (NEN 1197 A)
Spring lock washer with tang
DIN 127 B (NEN 1197 B)
Spring lock washer with square ends

