
Parameter Table
| Model | Reduction ratio | Rated torque at 2000r/min input | Permissible peak torque at start and stop | Permissible maximum value for average load torque | Permissible maximum momentary torque | Permissible maximum input rotational speed(Grease) | Permissible average input rotational speed(Greaae) | Moment of inertia |
| Nm | Nm | Nm | Nm | r/min | r/min | kgcm2 | ||
| 11 | 50 | 3.5 | 8.3 | 5.5 | 17 | 8500 | 3500 | 1.4×10-2 1.2×10-2 |
| 80 | 4.5 | 9.9 | 8 | 22.5 | ||||
| 100 | 5 | 11 | 8.9 | 25 |

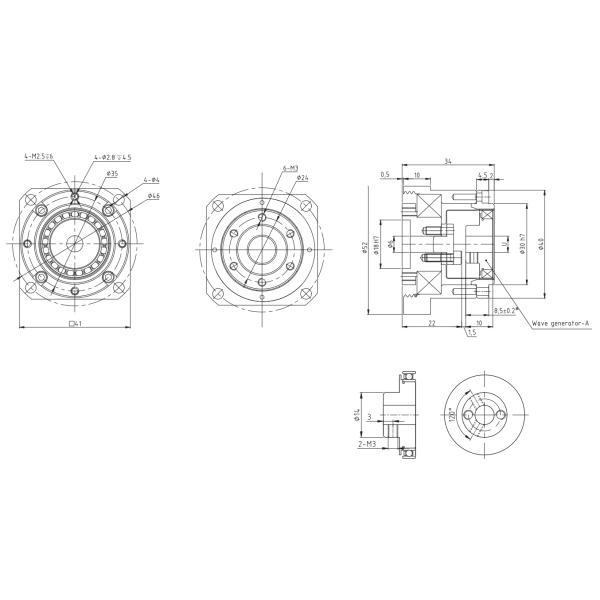
Detailed Images




| Key Attributes of LSS - I Series Model 11 Harmonic Gear Units | |||
| Product | Harmonic Gear Units | ||
| Material | Steel, Aluminum, Polyurethane, Bearings and Seals, Lubricants | ||
| Reduction Ratio | 50:1, 80:1, 100:1 | ||
| Backlash | Less than 20 Arc Sec | ||
| Average Input Speed | 3500 r/min | ||
| Max Input Speed | 8500 r/min | ||
| Design Life | 10000 hours | ||
| Model | 11 | ||
| Weight | 0.25 kg | ||
| Warranty | 1 Year | ||
Applications
![]() | ![]() | ![]() |
| Semiconductor | Industrial Robots | Manufacturing Systems |
PDF Drawings