Kobelco Excavator Travel Device Assy SK250-8 LQ15V00020F1
Kobelco SK250-8 Excavator LQ15V00020F1 Travel Device Travel Motor Assy




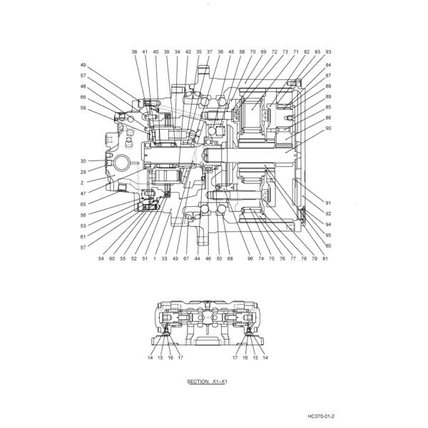
| Pos. | Part No | Qty | Parts name | Comments |
| . . | LQ15V00020F1 | [1] | HYDRAULIC MOTOR | SM ASSY, PROPEL Superseded by part number: LQ15V00020F5 |
| 1 | NA | [1] | NOT SERVICED | FOR FLANGE |
| 2 | NA | [1] | NOT SERVICED | FOR PLATE |
| 3 | NA | [1] | NOT SERVICED | FOR SPOOL |
| 4 | NA | [2] | NOT SERVICED | FOR VALVE,CHECK |
| 5 | NA | [2] | NOT SERVICED | FOR SPRING |
| 6 | NA | [2] | NOT SERVICED | FOR PLUG |
| 7 | ZD12P02100 | [2] | O-RING,2.4mm Thk x 20.8mm ID, 90 Duro | KOB O-Ring -- ID 20.80 ± 0.23 x OD 25mm |
| 8 | 2436U1027S203 | [2] | SEAT/SLOT | KOB |
| 9 | LQ15V00020S009 | [2] | SPRING | SM |
| 10 | 2436U1027S205 | [2] | SEAT/SLOT | KOB |
| 11 | NA | [2] | NOT SERVICED | FOR CAP |
| 12 | ZD12G04500 | [2] | O-RING,44.40mm ID x 50.60mm OD x 3.10mm | KOB ID 44.40 ± 0.41 x OD 50mm |
| 13 | ZS23C12040 | [8] | SCREW,Hex Socket Head, M12 x 40mm | KOB M12x1.75x40mm |
| 14 | 2436U281S37 | [2] | BALL | KOB |
| 15 | 2441U792S18 | [2] | SPRING | SM |
| 16 | 2441U792S19 | [2] | PLUG | SM |
| 17 | ZD12P00800 | [2] | O-RING,1.9mm Thk x 7.8mm ID, 90 Duro | KOB ID 7.8mm x OD 9.7mm |
| 18 | YN23V00003F1 | [2] | VALVE PRESSURE RELIE | KOB SEE (HC38) |
| 19 | NA | [8] | NOT SERVICED | FOR PLUG |
| 20 | NA | [1] | NOT SERVICED | FOR SPOOL |
| 21 | NA | [1] | NOT SERVICED | FOR SPOOL |
| 22 | LQ15V00007S027 | [1] | SPRING | KOB |
| 23 | 2441U792S141 | [1] | PLUG | KOB |
| 24 | ZD12P01800 | [2] | O-RING | KOB ID 17.8mm x OD 20.2mm |
| 25 | LQ15V00007S030 | [1] | GUIDE PIN | KOB |
| 26 | LQ15V00007S031 | [1] | PLUG | KOB |
| 27 | 2441U983S27 | [1] | WASHER | KOB |
| 28 | NA | [2] | NOT SERVICED | FOR ORIFICE |
| 29 | NA | [4] | NOT SERVICED | FOR PLUG |
| 30 | ZD12P01100 | [4] | O-RING | KOB ID 10.8mm x OD 13.2mm |
| 31 | NA | [3] | NOT SERVICED | FOR ORIFICE |
| 32 | NA | [1] | NOT SERVICED | FOR ORIFICE |
| 33 | LQ15V00007S042 | [1] | SHAFT | KOB |
| 34 | NA | [1] | NOT SERVICED | FOR BLOCK,CYLINDER |
| 35 | NA | [9] | NOT SERVICED | FOR PISTON ASSY |
| 36 | NA | [1] | NOT SERVICED | FOR PLATE,RETAINER |
| 37 | NA | [1] | NOT SERVICED | FOR HOLDER,RETAINER |
| 38 | YN15V00005S114 | [1] | SNAP RING | KOB |
| 39 | YN15V00005S115 | [1] | SPRING SEAT | KOB |
| 40 | YN15V00005S116 | [1] | SPRING | KOB |
| 41 | YN15V00005S117 | [1] | RING | KOB |
| 42 | 2441U792S119 | [3] | PIN | KOB |
| 43 | LQ15V00020S043 | [1] | PLATE | SM |
| 44 | 2441U792S110 | [2] | BALL | KOB |
| 45 | NA | [2] | NOT SERVICED | FOR PISTON ASSY |
| 46 | LQ15V00007S055 | [1] | BALL BEARING | KOB |
| 47 | LQ15V00007S056 | [1] | BALL BEARING | KOB |
| 48 | LQ15V00020S048 | [1] | PIN | SM |
| 49 | ZS23C14035 | [10] | SCREW,Hex Socket Head, M14 x 35mm | KOB M14x2.0x35mm |
| 50 | LQ15V00020S050 | [1] | SEAL | SM OIL SEAL |
| 51 | LQ15V00020S051 | [3] | PLATE | SM DISK Superseded by part number: LQ15V00031R940 |
| 52 | 2441U983S126 | [2] | PLATE | KOB |
| 53 | LQ15V00020S053 | [1] | PISTON | SM BRAKE |
| 54 | 2441U984S42 | [1] | O-RING | KOB |
| 55 | 2441U983S130 | [1] | O-RING | KOB |
| 56 | 2441U792S130 | [6] | SPRING | KOB |
| 57 | YN15V00005S128 | [4] | PIN | KOB |
| 58 | YN15V00005S139 | [2] | SPRING | KOB |
| 59 | LQ15V00020S059 | [1] | PLATE | SM VALVE |
| 60 | ZD12P01000 | [4] | O-RING | KOB ID 09.80 ± 0.17 x OD 13mm |
| 61 | 2441U802S30 | [1] | O-RING | KOB |
| 62 | NA | [1] | NOT SERVICED | FOR NAME PLATE |
| 63 | NA | [2] | NOT SERVICED | FOR SCREW,DRIVE |
| 64 | NA | [2] | NOT SERVICED | FOR PLUG |
| 65 | NA | [1] | NOT SERVICED | FOR PLUG |
| 66 | NA | [1] | NOT SERVICED | FOR PLUG |
| 67 | LQ15V00020S067 | [2] | SEAL | SM SEAL, FLOATING |
| 68 | LQ15V00007S077 | [2] | BEARING | KOB |
| 69 | NA | [1] | NOT SERVICED | FOR |
| 70 | NA | [1] | NOT SERVICED | FOR SHIM (0.05) |
| 71 | LQ15V00020S071 | [1] | RUBBER RING | SM HOLDER |
| 72 | LQ15V00007S081 | [8] | FRICTION WASHER | KOB |
| 73 | LQ15V00007S082 | [8] | SCREW | KOB |
| 74 | LQ15V00020S074 | [4] | PLATE | SM THRUST |
| 75 | LQ15V00007S084 | [4] | RACE | KOB |
| 76 | LQ15V00020S076 | [4] | NEEDLE BEARING | SM NEEDLE |
| 77 | LQ15V00007S086 | [4] | DRIVEN GEAR | KOB |
| 78 | LQ15V00020S078 | [4] | PLATE | SM THRUST |
| 79 | LQ15V00007S088 | [4] | SCREW | KOB |
| 80 | LQ15V00020S080 | [1] | GEAR | SM SUN |
| 81 | LQ15V00007S090 | [1] | RING | KOB |
| 82 | LQ15V00020S082 | [1] | CARRIER | SM HOLDER |
| 83 | LQ15V00007S092 | [3] | PLATE | KOB |
| 84 | LQ15V00020S084 | [3] | RACE | SM INNER |
| 85 | LQ15V00020S085 | [3] | NEEDLE BEARING | SM NEEDLE |
| 86 | LQ15V00020S086 | [3] | GEAR | SM |
| 87 | LQ15V00007S096 | [3] | PLATE | KOB |
| 88 | LQ15V00020S088 | [1] | PLATE | SM THRUST |
| 89 | LQ15V00007S098 | [3] | SCREW | KOB |
| 90 | LQ15V00020S090 | [1] | GEAR | SM DRIVE |
| 91 | NA | [1] | NOT SERVICED | FOR PLATE,THRUST |
| 92 | LQ15V00007S101 | [1] | COVER | KOB |
| 93 | ZS28C10016 | [16] | SCREW,Hex Socket Head, M10 x 16mm | KOB M10x1.50x16mm |
| 94 | LQ15V00007S103 | [3] | PLUG | KOB |
| 95 | ZD12P02400 | [3] | O-RING | KOB ID 23.70 ± 0.24 x OD 30mm |
| 96 | LQ15V00007S105 | [4] | PIN | KOB |
| K. | LQ15V00020R100 | [1] | KIT | SM REPAIR, CONSISTS OF ITEM 7X2, 12X2, 17X2, 24X2, 30X4, 50X1 54X1, 55X1, 60X4, 61X1 |
| K. | LQ15V00020R200 | [1] | KIT | SM REPAIR, CONSISTS OF ITEM 67X2, 95X3 Superseded by part number: LQ15V00031R200 |
| K. | LQ15V00020R300 | [1] | KIT | SM REPAIR, CONSISTS OF ITEM 1X1, 45X2 |
| K. | LQ15V00020R400 | [1] | KIT | SM REPAIR, CONSISTS OF ITEM 2X1, 3X1, 4X2, 5X2, 6X2, 7X2, 19X8, 20X1, 21X1, 28X2, 29X4, 30X4, 31X3, 32X1 |
| K. | 2441U792S13 | [1] | CAP | KOB REPAIR KIT, CONSISTS OF ITEM 11X2, 12X2, 13X8, 14X2, 15X2, 16X2 17X2 |
| K. | LQ15V00020R600 | [1] | BLOCK | KOB REPAIR KIT, CONSISTS OF ITEM 34X1, 35X9, 36X1, 37X1, 38X1, 39X1, 40X1, 41X1, 42X3 |
| K. | LQ15V00007R700 | [1] | REPAIR KIT | KOB CONSISTS OF ITEM 70X1 |
| K. | LQ15V00007R800 | [1] | REPAIR KIT | KOB CONSISTS OF ITEM 91X1 |
| K. | LQ15V00020R900 | [1] | REDUCER | KOB REPAIR KIT, CONSISTS OF ITEM 67X2, 68X2, 69X1, 70X1, 71X1, 72X8, 73X8, 74X4, 75X4, 76X4, 77X4, 78X4 |



We have more than 4000 square meters of three-dimensional warehouse and more than 2000 square meters of outdoor warehouse
It ensures that we have sufficient inventory and respond to customers' needs faster. Fast delivery is our advantage


FAQ:
Common problem:
Q: What can you do
A: We can provide you with digging final drive and swing drive motors and reducer gearbox and their parts
Q: How long is the warranty period?
A: Within 6 months, we will provide you with maintenance spare parts within the warranty period free of charge.
Q: Do you accept OEM or ODM?
A: Yes, you just need to provide your logo file or ideas.
Q: Can I order one of our samples for testing first?
A: Of course!
Q: How do I order?
A: You need to tell us the model and quantity you are interested in, and then we will issue a proforma invoice for you. The goods will be prepared after receiving the payment. The preparation time depends on the content of the order
Q: Do you have a factory?
A: Yes, we have our own factory and have 22 years of production experience in the excavated gear industry.