ZAX330-1 Excavator Hydraulic Motor Parts
Excavator Hydraulic Motor Parts For ZAX330-1 Travel Motor Assy
Product Description





* ZX330,ZX350H,ZX350K,ZX350K-HG,ZX350L,ZX350LC,ZX350LCN,ZX370MTH,ZX380L EQUIPMENT COMPONENTS PARTS ALOG
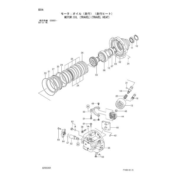
MOTOR;OIL (TRAVEL)(TRAVEL HEAT)

| Pos. | Part No | Qty | Parts name | Comments |
| 9205359 | [1] | MOTOR;OIL | I 9205360 <for assembly of machine> | |
| -9205360 | [1] | MOTOR;OIL | <for transportation> | |
| 2 | 1019564 | [1] | CASING;MOTOR | |
| 3 | 2040523 | [1] | DISC;DRIVING | |
| 6 | 4199108 | [1] | BRG.;ROL. | |
| 7 | 4199072 | [1] | BRG.;ROL. | |
| 9 | 4191665 | [1] | NUT;BRG. | |
| 10 | 4389598 | [1] | SPACER | |
| 11 | 4191666 | [1] | SEAL;OIL | |
| 12 | 4038529 | [1] | RING;RETAINING | |
| 13 | 2040520 | [1] | ROTOR | |
| 16 | 8068583 | [7] | PISTON | |
| 18 | 3078298 | [1] | SHAFT;CENTER | |
| 20 | 4194362 | [1] | SPRING;COMPRES. | |
| 21 | 4198956 | [1] | PIN | |
| 24 | 3036457 | [4] | PLATE;FRICTION | |
| 25 | 3036456 | [5] | PLATE | |
| 26 | 4193996 | [1] | SPACER | |
| 27 | 3078190 | [1] | PISTON | |
| 29 | 4252401 | [1] | D-RING | |
| 30 | 4269474 | [1] | D-RING | |
| 31 | 3054505 | [1] | SPRING;DISC | |
| 33 | 4269473 | [1] | O-RING | |
| 34 | 4506415 | [1] | O-RING | |
| 35 | 9157762 | [1] | VALVE;BRAKE | I 9158391 <for assembly of machine> |
| 35 | -9158391 | [1] | VALVE;BRAKE | <for transportation> |
| 38 | M341850 | [4] | BOLT;SOCKET | |
| 40 | 2035236 | [1] | PLATE | |
| 42 | 4364104 | [2] | PIN;KNOCK | |
| 44 | 2040522 | [1] | VALVE | |
| 46 | 4234628 | [1] | BUSHING | |
| 49 | 4255238 | [2] | PLUG | |
| 50 | 2040803 | [1] | LINK | |
| 51 | 4262561 | [1] | BOLT;REAMER | |
| 52 | 3093136 | [1] | PISTON;SERVO | |
| 57 | 4265579 | [1] | O-RING | |
| 61 | 9134112 | [1] | PLUG | |
| 61A. | 4506418 | [1] | O-RING | |
| 62 | 9134110 | [1] | PLUG | |
| 62A. | 957366 | [1] | O-RING | |
| 63 | 9134109 | [1] | PLUG | |
| 63A. | 4506408 | [1] | O-RING | |
| 64 | 4332406 | [1] | COVER | |
| 65 | M341225 | [4] | BOLT;SOCKET |



We have more than 4000 square meters of three-dimensional warehouse and more than 2000 square meters of outdoor warehouse
It ensures that we have sufficient inventory and respond to customers' needs faster. Fast delivery is our advantage


FAQ:
common problem:
Q: What can you do
A: We can provide you with digging final drive and swing drive motors and reducer gearbox and their parts
Q: how long is the warranty period?
A: Within 6 months, we will provide you with maintenance spare parts within the warranty period free of charge.
Q: do you accept OEM or ODM?
A: Yes, you just need to provide your logo file or ideas.
Q: can I order one of our samples for testing first?
A: Of course!
Q: how do I order?
A: You need to tell us the model and quantity you are interested in, and then we will issue a proforma invoice for you. The goods will be prepared after receiving the payment. The preparation time depends on the content of the order
Q: do you have a factory?
A: Yes, we have our own factory and have 20 years of production experience in the excavated gear industry.