Hydraulic Buffer GH-10 GH-16 GH-20 , Elevator Safety Parts , Elevator spare parts ,
Compression Stroke 100 mm
|
Buffer is device to provide a final elevator safety protection generally installed in the elevator shaft bottom pit, located right under the car and counterweight. When the elevator runs upward or downward, it may overrun terminal floor bottom or top because of accidental ineffective braking. Buffer provides absorption to avoid elevator car or counterweight from hitting bottom or top to protect safety for passengers and devices. According to speed state, buffers can be divided into energy consuming buffer type (oil buffer as representative) and energy storing type (V≤1.0m/s, polyurethane buffer as representative)
|
| NO | TYPE | MODEL | RATED SPEED (m/s) | CAPACITY (kgs) | COMPRESSING DISTANCE S(mm) | FREE STATE HIGHT H(mm) | FIXING DIMENSION (mm) | OIL CAPACITY (L) |
| 1 | Oil Buffer | OH-65 | ≤0.63 | 500~4600 | 65 | 355 | 100*150 | 0.45 |
| 2 | OH-80A | ≤1.0 | 1500~4600 | 80 | 405 | 90*150 | 0.52 | |
| 3 | OH-275 | ≤2.0 | 800~3800 | 275 | 790 | 80*210 | 1.50 | |
| 4 | OH-425 | ≤2.5 | 750~3600 | 425 | 1145 | 100*150 | 2.50 | |
| 5 | OH-80 | ≤1.0 | 600~3000 | 80 | 315 | 90*150 | 0.40 | |
| 6 | OH-175 | ≤1.6 | 600~3000 | 175 | 510 | 90*150 | 0.60 | |
| 7 | OH-210 | ≤1.75 | 700~3600 | 210 | 610 | 90*150 | 0.80 | |
| 8 | OH-80E | ≤1.0 | 600~3000 | 80 | 282 | 120*90 | 0.40 | |
| 9 | OH-175E | ≤1.6 | 600~3000 | 175 | 510 | 120*90 | 0.60 | |
| 10 | OH-210E | ≤1.75 | 600~3600 | 210 | 592 | 120*90 | 0.80 | |
| 11 | OH-80H | ≤1.0 | 600~3600 | 80 | 300 | 90*150 | 0.40 | |
| 12 | OH-175H | ≤1.6 | 600~3600 | 175 | 505 | 90*150 | 0.60 | |
| 13 | OH-210H | ≤1.75 | 700~3600 | 210 | 595 | 90*150 | 0.80 | |
| 14 | OH-10 | ≤1.0 | 300~2500 | 100 | 390 | 90*150 | 0.50 | |
| 15 | OH-16 | ≤1.6 | 700~5300 | 175 | 625 | 100*210 | 1.70 | |
| 16 | OH-20 | ≤2.0 | 1000~5300 | 290 | 915 | 100*210 | 2.60 | |
| 17 | OH-025 | ≤0.4 | 500~1200 | 25 | 122 | 100*100 | 1.30 | |
| 18 | Polyurethane Buffer | OH-J11 | ≤0.63 | 500~1500 | 35~55 | 60 | 95*95 | - |
| 19 | OH-J21 | ≤1.0 | 600~4500 | 80~140 | 145 | 125*125 | - |
PERFORMANCE PARAMETERS:
The oil specification: HL 46 hydraulic oil
Product type: Energy consuming type (build- in spring)
Compression Stroke: 100/175/290mm
Free state height: 390/625/915mm
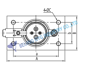
| Type | S(mm) | H(mm) | B*A(mm) | b*a(mm) | C(mm) |
| GX-10 | 100 | 390 | 125*180 | 90*150 | 14 |
| GH-16 | 175 | 625 | 150*270 | 100*210 | 18 |
| GH-20 | 210 | 915 | 150*270 | 100*210 | 18 |


DIFFERENT MODELS:





CERTIFICATION:

EXHIBITION SHOW:
