Car GPS Tracker With Internal Battery And Relay Functions And Support ACC
Feature:
1. GPS Positioning: Via GPS positioning,User can track the vehicle location,speed and routes through phone or computer.
2. Playback routes: Can check the vehicle’s routes and speed in recent 2 months.
3. Setting Function Via SMS: Setting function of device via SMS and check location via SMS.
4. ACC Ignition Detection: Get vehicle status via ACC ignition detection.
5. Vibration Alert: After setting, Device will send message and call user if theft shock the car or drive the car away.
6. Overspeed Alert: When speed is over than the set speed, device will send message to user.
7. Cut Off Engine: User can cut engine via platform or sending message to device. Vehicle will be shut down and theft can not drive car away.( For safety considering, it will not cut engine while speed is above 20km/h)
8. Built - in GPS GSM Antenna: Built - in high tech of GPS,GSM antenna for easy installation.
9. Static State Drifting Protection: Most of device has static state drifting in the market,our device has applied new tech which can protect this problem nicely.
Parameters:
1. GSM 850/900/1800/1900Mhz
2. GPRS: Class12,TCP/IP
3. Wide For Voltage Input Range: DC9.5-100V
4. Working Currency: 20mA @ 12V
5. GPS Location Accuracy: 10m
6. Unit Size: 67*33.8*11.5mm
7. Weight: 40g
LED Indicator:
| Green | GSM Signal |
| Blue | GPS Signal |
| Red | Charger LED |
Picture:
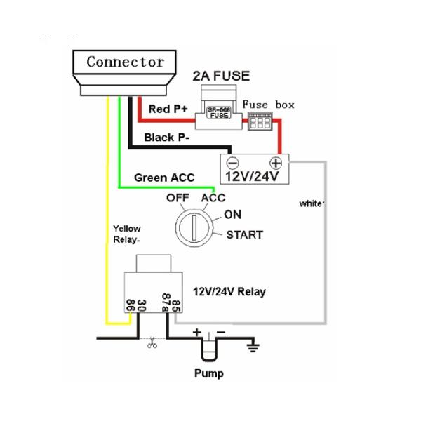
Device Wiring Diagram:

Applications :
4S shop , car company , truck company , motorcycle company , GPS producer , large-scale shopping malls , exclusive agency , chain shops , large-scale sales , car repair shop,taxi company .
Trouble Shooting:
1. After installing it at the first time, if device can not get connected with platform server, at this time it is “logged off” status in platform.
Please check the installation of device:
a. Check whether the connection of power-line is correct, please do not connect it with the car control line.
b. Check whether SIM card is installed correctly, please refer to the installation manual
c. Check whether the power switch is toggled to “ON”, the switch is near USB connector
d. Check the LEDs’ status. In normal working status, the red LED is in flashing; green LED and blue LED are both in solid bright or flashing
e. Check whether GPS is located, if not, please drive to the open areas for positioning
2. If it is "offline"status in platform
First of all, check the three LEDs’ status. If it is not convenient to check that.please check the SIM card status:
a. Call the SIM card number of the device to check whether you can get through
b. Check whether the vehicle is in no GSM area, such as basement
c. Check the GSM/GPS disconnection area, whether it is all disconnected or few of them disconnected, to make sure whether it is the fault of operator’s internet
d. Check whether your SIM card charge is overdue
e. Check whether the SIM card supports GPRS
f. Check the parameter setup, whether the device IMEI number, GPRS sending interval is correct
3. If the device’ GPS function is normal, but can not locate for a long time, please check whether the installation setup of device is correct:
a. Please make sure the GPS antenna face is up
b. Please make sure there is no electromagnetic wave- absorbent object (metal) above the device, especially the thermal-protective coating on the windshield, it may affect the GPS reception of the device
4. If GPS can not receive the signals normally (there is high building around to interfere with GPS reception), please drive to the open areas for positioning. Generally, it needs 1-3minutes to receive the first coordinates.
5. If GSM can not receive the signals normally, please check whether SIM card is installed correctly or there is no GSM signal at the location you are, such as basement parking, please drive to a place covered by GSM signal reception
6. When cellphone with special number receives tele- cutoff alarm sms, please make sure whether it is illegal wire cutoff, or the FUSE on power line is blown. If the FUSE in it is blown, please contact your distributor to exchange with the same model FUSE, after the internal trouble is shoot, it can be power on to work again
