2057N Type CF8M Material Threaded 1000WOG 3 Way Ball Valve In Ball Valves
Design Features
1. Adjustable fire-safe stem packing
2. Machined fire-lip act as meta backup seat has excellent fire-safe capability
3. Anti-blow out stem
4. Anti-static device
5. Full rated bi-directional shut-off
6. Optional lockable handle
7. Spiral wound gasket,prevent external leakage
8. Full rated dead end service
Main Parameter Specifications
- L port or T port , 1/2" (DN15) 3 way ball valve ,1000wog ball valve
- Working Pressure : 1000psi (PN64)
- Working Temperature: -20°C~200°C(-4ºF~392ºF)
- Investment casting
- Blow-out proof stem
- Locking device
- Anti-static device (option)
- ISO 5211 mounting pad
- Thread type: ASME B1.20.1(NPT) DIN2999 & BS21 ISO7/1 & EN10226
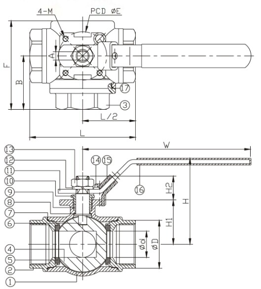
Main parts and materials
| No. | Part Name | Material |
| 1 | Body | Cast Iron (GG25/GGG-4) |
| 2 | Bonnet | Cast Iron ( GG25/GGG-4 ) |
| 3 | Nut | Carbon steel |
| 4 | Bolting | Carbon steel |
| 5 | Ball | Stainless steel(SS304/SS316) |
| 6 | Seat | PTFE/RPTFE/TFM1600 |
| 7 | Gasket | PTFE |
| 8 | Stem | Stainless steel(SS304/SS316) |
| 9 | Stem packing | PTFE |
| 10 | Gland flange | Cast Iron (FC200) |
| 11 | Stop collar | Carbon steel |
| 12 | Circlip | Steel |
| 13 | Lever | Ductile iron (FCD450) |
| 14 | Gland boltl | Carbon steel |


