Vacuum Cup Fittings Spring Buffer Strut MTE Integrated Vacuum Import
1. Introduction and application:
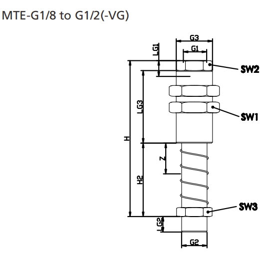
2. Structure

3.Technology Data:
| Type | Spring rate | Spring pretension | Spring force | Vertical load | Horizontal load | Weight | Operating temperature |
| 【N/mm】 | 【N】 | 【N】 | 【N】 | 【N】 | 【g】 | 【℃】 | |
| MTE G1/8-AG-15-M16 | 0.221 | 3.53 | 5.19 | 3700 | 385 | 80 | 0...80 |
| MTE G1/8-AG-15-M16-VG | 0.221 | 3.53 | 5.19 | 3700 | 385 | 80 | 0...80 |
| MTE G1/8-AG-25-M16 | 0.143 | 3.57 | 5.36 | 3700 | 283 | 90 | 0...80 |
| MTE G1/8-AG-50-M16 | 0.097 | 2.92 | 5.34 | 3700 | 173 | 110 | 0...80 |
| MTE G1/8-AG-50-M16-VG | 0.097 | 2.92 | 5.34 | 3700 | 173 | 110 | 0...80 |
| MTE G1/4-AG-25-M20 | 0.711 | 6.47 | 15.36 | 2400 | 747 | 145 | 0...80 |
| MTE G1/4-AG-25-M20-VG | 0.711 | 6.47 | 15.36 | 2400 | 747 | 144 | 0...80 |
| MTE G1/4-AG-50-M20 | 0.452 | 1.4 | 12.7 | 2400 | 466 | 175 | 0...80 |
| MTE G1/4-AG-75-M20 | 0.262 | 5.38 | 15.2 | 2400 | 340 | 190 | 0...80 |
| MTE G1/4-AG-75-M20-VG | 0.262 | 5.38 | 15.2 | 2400 | 340 | 202 | 0...80 |
| MTE G3/8-AG-30-M22 | 0.985 | 7.72 | 28.8 | 2800 | 360 | 174 | 0...80 |
| MTE G3/8-AG-50-M22 | 0.738 | 5.77 | 31.6 | 2800 | 360 | 194 | 0...80 |
| MTE G3/8-AG-50-M22-VG | 0.738 | 5.77 | 31.6 | 2800 | 360 | 194 | 0...80 |
| MTE G1/2-AG-25-M30 | 3.829 | 25.64 | 73.5 | 4900 | 1870 | 400 | 0...80 |
| MTE G1/2-AG-75-M30 | 1.072 | 37.2 | 77.4 | 4900 | 800 | 530 | 0...80 |
| MTE G1/2-AG-90-M30 | 1.072 | 24.38 | 75.3 | 4900 | 730 | 544 | 0...80 |
4.Design Data