Automatic FM200 Fire Suppression System Piped Network Type Single or Multiple
parameter:
| No. | specification | Technical Parameter | |
| 1 | Filling pressure | 4.2Mpa | 5.6Mpa |
| 2 | Scale of Protective region for one zone | area:max single-zone is 800m² volume:max single-zone is 3600m³ | |
| 3 | Spraying time | ≤10s | |
| 4 | Filling density | ≤950kg/m3 | ≤1080kg/m3 |
| 5 | power | DC24V/1.6A | |
| 6 | Nitrogen Pressure of Driving Device | 6.0±1.0Mpa(20℃) | |
| 7 | Condition of reserving room for container | temperature: -10~50℃, relative humidity: ≤97% | |
| 8 | max working pressure | 5.3Mpa | 8.0Mpa |
| 9 | min working pressure | 4.2Mpa | 4.6Mpa |
Description:
Fm200(htc-227ea) is a kind of colorless and tasteless and non-corrosive and electricity-insulating gas without residue and pollution after extinguishing. And ODP of it is zero. It is a friendly-environment gas to be used for extinguishing. Also, because of such feature, it can be used in special place where electrical fire is easy to happen.
Combined with extinguishing device and electronic accessories, the whole system can be actuated automatically. It can monitor the situation of protective region through detectors and then it can also start the extinguishing device through solenoid actuator automatically. So the whole system can achieve automation totally. Therefore, it can avoid that there is no one who notice the fire when it happens and it also saves much money for employment to supervise the protective area.
Management of Multiple zones is also in the safe control of the whole system. We can use one system to protect multiple zones through selective valves. It can let the whole system alternative aiming at different protective zone. Agent can be discharged into where the fire happens. It will be very efficient to put out fire in short time. One thing that need to mention, is that a little room should be prepare to be as storage space for the whole system.
Applications:
Electronic computer room, a data processing center, telecommunications facilities, process control, expensive medical equipment, industrial equipment, library, museum and art gallery, clean room, anechoic chamber, emergency power facilities, flammable liquid storage area, etc.
The place where the fire is easy to happen, like paint-spraying production line, aging-electrical equipment, rolling machine, printing machine, oil switch, oil immersed transformer, melt impregnating tank, tank, large generators, drying equipment, cement pro duction process of pulverized coal, and the ship's engine room, cargo hold, etc.
Compositions:
piped network type of fm200 automatic fire suppression system is mainly composed by three parts. Extinguishing devices and pipe fittings and electrical accessories.
Extinguishing devices are such things, like cylinder to fill and store fm200, frame and driving device(nitrogen cylinder) to trigger the storage cylinder to discharge agent and so on.
Pipe fittings are those conduits to connect extinguishing device and guide agent into protective zone, like high pressure galvanized steel pipe and flange and elbow and so on.
Electrical accessories are those things which are used to detect and monitor whole protective area and control whole system, also warn people to evacuate and prevent from fire expansion.
These integrated three parts will be efficient to detect and supervise and alarm and extinguish fire automatically.
Here attached below is complete composition of whole system.

Competitive Advantage:
In terms of description of agent, one of its competent advantages is that it can be used for all kinds of class fires except metal fire. And it is clean agent. There is no residue and pollution after extinguishing.
Another one is that fm200 extinguishing system is special for critical assets or device. It will have no damage for your property. Relatively, it is cheap and effective to be chosen as fire suppression system.
It is very efficient for you to protect your possession. Since it is a system, it include extinguishing device to put out fire at short time, specially, shorter than 10 second. It means all agent will be discharged in so short time. Then it will be flooding overall. In addition, it has time-delay mechanism. It is around 2 minute. It means when fire happens, there is enough time left to evacuate people from hazardous place.
It can let multiple zones are protectively in the control of one system. Then it will save much money for big and multiple zones.
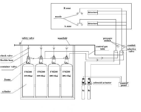
Working principle:
Here is the illustration of working principle to whole system,

Simulated diagram:
Below attached is one mimic diagram of piped network type of fm200 automatic fire suppression system.


Company Introduction
Guangzhou Xingjin Fire Equipment Co., Ltd., surrounded by convenient transportation and beautiful environment, is located in Guangzhou, which plays an important role in communication between China and the world. We are a manufacturer, and we devote ourselves to the study and development of HFC-227ea (FM200) productions with our professional and mature team including the program design team, the skillful installation team, the quality detecting team and the after-sell service team. Nowadays, our popular fm200 products are widely used, such as the pipe network FM200 fire suppression system, the cabinet type FM200 fire suppression system, the automatic FM200 fire extinguisher
(ceiling mounted style), the fire detecting tube suppression system and automatic fire suppression tube. As a result of high-quality products and services as well as the good reputation, our company is well-received by the customers in China.

Why Choose Us
• 5 years quality guarantee
• Xingjin is running in a high efficiency management system
• Advanced equipments & professional engineers to promise all products are quite satisfactory.
• We provide 8×6 hrs technical support and service.
After-Sale Service
• We have an efficient sales and after sales team to promise slove all client's question in time.
• We provide 8×6 hrs technical support and service.
FAQ
Q1: Are you a manufacturer or a trading company?
A1: We are a manufacturer.
Q2: Is OEM products available?
A2: Yes, we welcome your own design and drawing.
Q3: Where is your factory? Can I visit it?
A3: Our factory locates in Shilou, Panyu, Guangzhou, Guangdong, China.
Of course yes. We always welcome and wait for your visit.
Q4: How can I get to your factory?
A4: Because of the convenient transportation here, you can take a taxi or come here by subway. If you come here by subway, you need to take the line four and get off at Shiqi station. Then walk out the station for taking No. 126 bus and get off at Yuexi station.