
KUM2601 Non-intrusive level gauge (hereinafter referred to as level gauge) is a kind of instrument developed by our company, which uses sonar ranging principle to measure liquid level inside of the container from the outside (bottom) of the container. This product realizes complete isolation measurement.
The liquid level gauge breaks the traditional installation method of open tank contact, and realizes the real non-contact measurement of liquid level height in sealed container. Sonar sensor (probe) is installed directly below the outer wall of the vessel under test (bottom). It does not need to open a hole in the vessel under test. It is easy to install and can be installed without stopping production. It can accurately measure the liquid levels of various toxic substances, strong acids, alkalis and various pure liquids in high temperature and high pressure sealed containers.
|
Non-Intrusive Level Gauge |
Two-wire |
Four-wire |
|
Measuring Range |
3m, 5m, 10m, 15m, 20m, 30m, 50m |
|
|
Display Resolution |
1mm |
|
|
Short-Term Repetition |
1mm |
|
|
Error |
±1‰FS, ±2‰FS, ±5‰FS |
|
|
Temperature Range |
-45℃~+100℃ |
|
|
Accuracy |
1℃ |
|
|
Output |
4~20mA (Maximum load 500Ω), HART,Modbus |
|
|
Power Supply |
DC24V (22V~36V) |
DC24V (18V~30V) |
|
Power |
< 1 W |
< 1 W |
|
Communication |
RS-485,Infrared, HART,Modbus |
|
|
Relay Alarm Output |
AC 250V 5A, DC 30V 5A |
|
|
Ambient Temperature Host |
-40℃~+80℃ |
|
|
Ambient Temperature Display |
-20℃~+70℃ |
|
|
Ambient Temperature Sensor |
-50℃~+100℃ |
|
|
Ambient humidity |
(0%~95%)RH |
|
|
Explosion-proof |
ExdⅡCT6 |
|
|
Protection |
IP65, IP67 |
|
|
Display |
128×64 LCD |
|
|
Blind Area |
< 30mm Under ideal working conditions |
|
|
Electrical Interface |
M20X1.5 (F), 1/2 NPT (F) |
|
|
Cable Length |
5m, optional |
|
|
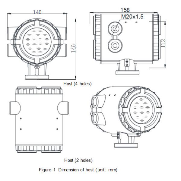
Host size / weight |
158mmx122mmx148mm, 2kg, base hole dia M5 |
|

(2) Sensor Probe Dimension


Terminals Definition
|
Mark |
Note |
|
RELAY (NO) |
Relay Alarm Normally Open |
|
RELAY (COM) |
Relay Alarm Common |
|
RELAY (NC) |
Relay Alarm Close |
|
24V (+) |
Dc 24V Power+ |
|
24V (-) |
Dc 24Vpower- |
|
CAL (+) |
Calibration Probe Signal |
|
CAL (-) |
Calibration Probe Grand |
|
MEA (+) |
Measure Probe Signal |
|
MEA (-) |
Measure Probe Grand |
|
TEMP (+) |
Temperature Sensor Signal |
|
TEMP (-) |
Temperature Sensor Grand |
|
485 (+) |
Rs485 (Modbus) Modbus A (+) |
|
485 (-) |
Rs485 (Modbus) Modbus B (-) |