LC339 share beam load cell high performance 10 kg -500 kg from germany load cell
Products Specification:
◆LC339 are available in the capacities 10kg to 500kg. And the customized capacity is available by request.
◆Alloy steel construction,welded with bellow,potted by adhesive inside,oil-proof,waterproof and anti-corrosive gas and medium making it suitable for all kinds of environments.
◆Single point with bellow, easy installation,suitable for crane scales,mechanical conversion scales,hopper scales and other electronic weighing devices.
◆Safe and anti-explosive product, can be used in atrocious environment and hazardous areas.
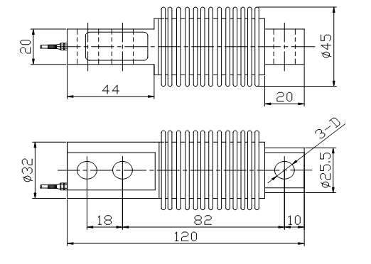
Dimensions Unit: mm:

Technical Parameter:
| Rated Load: | 10/20/30/50/75/100/150/200/250/300/500kg | ||
| Sensitivity: | (2.0±0.1%) m V/V | Operating Temp. Range: | -10~+70℃ |
| Combined Error: | ±0.02% F.S | Maximum Safe Over Load: | 150%F.S |
| Creep Error(30min): | ±0.03% F.S | Ultimate Over Load:: | 300%F.S |
| Zero Balance: | ±1% F.S | Recommend Excitation Vol.: | 10~12V DC |
| Temp. Effect On Zero: | ±0.02% F.S/10℃ | Maximum Excitation Vol.: | 15V DC |
| Temp. Effect On Span: | ±0.02% F.S/10℃ | Sealing Class: | IP68 |
| Input Resistance: | 385±5Ω | Element Material: | Alloy Steel, Stainless Steel |
| Output Resistance: | 351±2Ω | Cable: | Length=L:3m |
| Insulation Resistance: | ≥5000MΩ | Citation: | GB/T7551-2008/ OIML R60 |
| Mode Of Connection: | Red(Input+),Black(Input-), Green(Output+),White(Output-) | ||
| Mode Of Connection: | Red(Input+),Black(Input-), Green(Output+),White(Output-) |


Please contact us:
whatsapp/Tel:0086 15995095496
skyer@skyerscale.com
www.floorweighingscales.com