DN350 PN10 PVC pipe bolt joint for AC pipe universal coupling
Product Introduction
Gibault fittings are a fitting designed to provide an efficient and economical connection to PVC pipes, and are ideal for reconnecting pipes or joining two pipes into a pipe after removing damaged PVC pipes. The valve body is made of ductile iron, and the gasket is EPDM for drinking water or nitrile for petroleum/industrial pipelines. The surface is made of fused epoxy resin, which is suitable for drinking water, and the fasteners are carbon steel galvanized or stainless steel.
Product Advantages
The compensating joint has good expansion and contraction performance, which can adapt to the changes of thermal expansion and cold contraction of the pipeline system, and effectively avoid the problems of pipeline displacement and deformation. The compensating joint also has the effect of absorbing earthquakes and absorbing vibrations, which can reduce the impact of earthquakes on the pipeline system.
The sealing performance of the compensating joint is one of the important factors to ensure the normal operation of the pipeline system. The compensation joint adopts high-performance sealing materials and advanced sealing structure, which can effectively prevent the leakage of medium in the pipeline and ensure the safety and normal operation of the pipeline system. At the same time, the compensating joint also has good corrosion resistance and can adapt to the transmission of various corrosive media.
Compensation joints have the advantages of simplicity, flexibility and adaptability in the construction and installation process. The compensation joint can be connected by flange connection, welded connection, threaded connection and other connection methods, which is convenient for construction and installation personnel to choose according to the actual situation of the site. At the same time, the compensation joint can also be customized design and production as needed to meet the needs of various special environments.
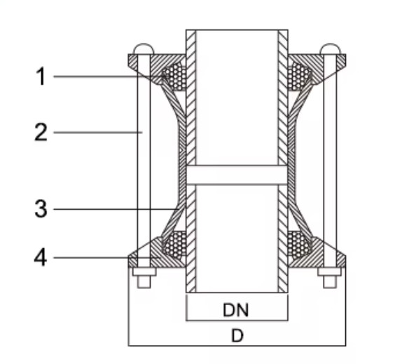
Product parameters

| NO | NAME | MATERIAL | STANDARD |
| 1 | Rubber sealing ring | EPDM | EN681-1 |
| 2 | Fastener | GD 4.8 | Customized |
| 3 | Sleeve | Steel | EN 10025 |
| 4 | End ring | EN GJS400-15 | EN 1563 |
| DN | OD Range(mm) | L(mm) | D (mm) | Bolt | |
| Size | Quantity | ||||
| 50 | 59-72 | 102 | 165 | M12*180 | 2 |
| 65 | 72-85 | 102 | 185 | M12*180 | 2 |
| 80 | 88-103 | 102 | 185 | M12*180 | 4 |
| 100 | 109-128 | 102 | 218 | M12*180 | 4 |
| 125 | 132-146 | 102 | 250 | M12*180 | 4 |
| 150 | 159-182 | 102 | 272 | M12*200 | 4 |
| 175 | 192-210 | 130 | 312 | M12*200 | 4 |
| 200 | 218-235 | 130 | 335 | M12*220 | 6 |
| 250 | 272-289 | 130 | 405 | M12*220 | 6 |
| 300 | 315-332 | 130 | 460 | M12*220 | 6 |
| 300 | 322-339 | 130 | 435 | M12*220 | 6 |
| 350 | 340-360 | 150 | 455 | M12*250 | 6 |
| 350 | 351-368 | 150 | 518 | M16*250 | 8 |
| 350 | 374-391 | 150 | 568 | M16*250 | 8 |
| 400 | 400-429 | 150 | 580 | M16*250 | 8 |
| 400 | 418-435 | 150 | 580 | M16*250 | 8 |
| 400 | 425-442 | 150 | 625 | M16*260 | 8 |
| 450 | 455-472 | 150 | 665 | M16*260 | 10 |
| 500 | 500-532 | 150 | 690 | M16*260 | 10 |
| 500 | 527-544 | 150 | 715 | M16*260 | 10 |
| 500 | 555-572 | 150 | 715 | M16*260 | 10 |
| 600 | 600-630 | 150 | 790 | M16*260 | 10 |
Product installation precautions
1. Check the specifications and models
2. Environmental assessment
3. Installation location
4. Welding treatment
5. Fixing the bracket
6. Seal inspection
7. Check regularly
Special product customization process
1. Provide drawings
2. Customer confirmation
3. The price quoted includes freight
4. Provide PI
5. Payment has been received, arrange shipment
Product Composition

Workshop display
