We own Factory which could supply quality OEM excavator spare parts, and we also own trading cocompany which could supply quality genuine and aftermarket excavator spare parts.
If you have needs to seek parts, please do not hesitate to WhatsApp +86 17322263836 or send us E-mail Minxin666@outlook.com
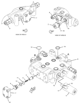
1588159 HOUSING VALVE CONTROL FOR 330F EXCAVATOR SPARE PARTS
Description:
| Application | C A T Excavator Spare Parts |
| Name | Housing |
| Parts No | 1588159 158-8159 |
| Model | 320 323 325 329 330 336 |
| Delivery time | Stock for soon delivery |
| Quality | OEM standard |
| MOQ | 1 PCS |
| origin | made in china |
| Means of transport | By sea/air, DHL FEDEX TNT UPS EMS |
| Packing | As request or standard packing |

We are One Stop Shopping excavator parts Suppliers.
Strategic Partners:

More Products:
EXCAVATOR 318C 319C 320C 320C FM 320C L 320D 320D FM 320D FM RR 320D GC 320D L 320D LN 320D LRR 320D RR 320D2 320D2 GC 320D2 L 320E 320E L 320E LN 320E LRR 320E RR 321C 321D LCR 322C 322C FM 323D L 323D LN 323D SA 323D2 L 323E L 324D 324D FM 324D FM LL 324D L 324D LN 324E 324E L 324E LN 325C 325C FM 325D 325D FM 325D FM LL 325D L 325D MH 326D L 328D LCR 329D 329D L 329D LN 329E 329E L 329E LN 330C 330C FM 330C L 330C MH 330D 330D FM 330D L 330D LN 330D MH 336D 336D L 336D LN 336D2 336D2 L 336E 336E H 336E L 336E LH 336E LN 336F L 340D L 340D2 L 568 FM LL M325D L MH M325D MH
LOGGER 322C
MOBILE HYD POWER UNIT 323D L 323D LN 324D LN 325C 325D 329D L 329E 330C 330D 330D L 336D L 336E 336E HVG
WHEELED EXCAVATOR M325C MH M330D Caterpillar