IEC62196 Electric Vehicle Connectors and plugs Temperature Rise Test System
Complied Standards & Clauses
IEC 62196-1 Ed.4CDV 2020 clause 24.
IEC 62196-3 Ed.4CDV 2020 clause 24.
IEC 60309-1: 2012 clause 22.
...
Technical Parameters
1. Input power
Main circuit power supply: AC 380 (1±10%) V three-phase five-wire power supply.
2. Power frequency: AC 50-60 (1±10%) Hz.
3. Current level: 0.5 level.
4. Output current within the range of steady current: 0~800A can be continuously adjusted at will. The current setting value (stepless type) can be set digitally, so that the AC constant current power supply device can continuously and smoothly adjust the output current to meet the needs of different test projects.
5. Current stability range: +0~3% (upper and lower limits can be selected).
6. Constant current accuracy: ≤±1.0% reading.
7. Output waveform: AC sine wave, waveform distortion is less than 3%.
*Current output circuit: 0~800A; 1 unit with 2 circuits
*Number of temperature measurement channels: 16 channels;
*Stable detection range: 0~200℃ (standard required temperature test range)
Equipment Overview
The test equipment is used to verify accessories shall be so constructed that the temperature rise in normal use is not excessive.
It is used to check the temperature rise of the plugs, socket-outlets and vehicle connectors after passing the rated current, the heating conditions on the surface of the electrical accessories when the load current is connected, and whether the temperature rise of the terminals meets the requirements of the standard.
Provides a low voltage to the sample, and then the temperature rise is collected within a certain period of time, which is compared with the standard requirements.
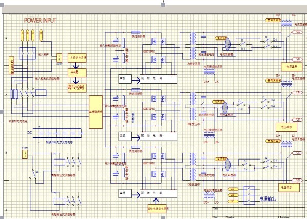
System composition:
12 ways single-phase current made into one machine (i.e. all electrical instruments are in one chasis), each 3 ways single-phase constitutes a 3-phase power supply (powered by a three-phase power supply, the complete equipment is star-connected). It is composed of electric voltage regulator, current transmitter, PLC programmable controller, current sensor, touch interface, and removable chassis. Specifically: AC steady current power supply, which can stably output the test current, eliminate the influence of the test current due to power supply voltage fluctuations, connecting wires or copper bars, and the resistance value of the test product, and improve the accuracy of the test results. The power supply has low loss, high efficiency, easy operation, and has complete control and detection functions.
System features:
1. With true color touch LCD screen, current setting and monitoring can be completed on the touch screen, with full English interface, setting is simple and operation is convenient.
2. With a friendly human-computer interaction interface, it provides abundant alarm and diagnosis functions. The main control unit selects a programmable controller (PLC), which can automatically adjust multiple load currents at the same time to achieve comprehensive monitoring and closed-loop control, and the degree of automation is high.
3. Intelligent program control software, high reliability, strong anti-interference ability, with digital logic control, motion control, closed-loop process control, data processing, communication networking and other functions, complete current data collection, display and control. Provide wireless (WIFI) communication interface, and can realize wireless communication function with background PC monitoring, realize the centralized setting and automatic control of the test current of each loop, and the humanization is stronger.
4. Using intelligent voltage and current sensors that support fieldbus technology to realize full digitalization of data transmission, improve data accuracy and product reliability.
5. With zero-point compensation and current correction self-calibration function, it can generate multi-segment correction coefficients within the adjustable range of the device to ensure the stability of the AC constant current power supply equipment.
6. Protection function: with reverse phase sequence, over-current protection function, allowing no load. The protection of the AC voltage regulating device should adopt dual protection of computer automatic protection control and mechanical micro-motion limit switch to ensure the normal operation of the AC constant current power supply equipment and ensure the safety and reliability of the product.
7. The test current stability is not affected by the external test environment, and the output current is always kept within the set accuracy range throughout the test.
8. Using intelligent air-cooling, long-time operation at rated current, the temperature rise of the main circuit device does not exceed their respective standards.
9. Each current level device can be used as a power source alone or multiple currents can be used in parallel in any combination, and the total current should meet the temperature rise test requirements.
Temperature acquisition system:
1. Requirements for temperature detector:
A. Working power supply: DC24V.
B. Input circuit: 16 channels.
C. Input signal type: T type (thermocouple).
D. Measurement accuracy: ≤±1℃.
E. Sampling time: <0.5 seconds.
F. Isolation strength: High-voltage isolation between channels can directly measure 380V live conductors.
G. Display operation: using 10-inch touch LCD screen.
H. Communication function; remote monitoring can be realized through WIFI wireless interface or RS485 interface.
I. Data storage: USB interface U disk storage.
2. Detection controller and software
A. Data collection and processing functions: through real-time data collection and processing of lower-level smart devices. Real-time information includes: analog signals such as current and temperature, and switch signals such as switch position and operating status.
B. Display function: After processing all kinds of information sent by lower-level smart devices, various information screens can be displayed in real time, and the operating parameters, alarm information and historical records of the system can be queried at any time through the background interface.
C. Control function: According to the collected data and status, remote control operations can be performed on lower-level smart devices.
D. Setting function: The parameters required during the operation of the lower-level smart device are input into the system through the background monitoring software. The setting is divided into two levels of user level and factory level, and has a password protection function.
E. Alarm function: The alarm information generated by each lower-level intelligent device is sent to the background via wireless (WIFI), and the background monitoring software will automatically pop up the alarm information, and can also analyze and collect the corresponding alarm information according to the collected data.
F. Recording function: store some important status and data during system operation according to time and other conditions for query, and output data report to the printer in the specified format.
Parameters:
| Applied Standards | IEC 62196-1 Ed.4 CDV 2020 |
| Applied Clauses | Clause 24 |
| Input Power | AC 380 (1±10%) V three-phase five-wire power supply |
| Power Frequency | AC 50-60 (1±10%) Hz |
| Current Stability | +0~3% (can be selected) |
| Current Accuracy | ≤±1.0% reading |
| Output Waveform | AC sine wave |
| Detection Range | 0~200℃ |
| Current Level | 0.5 level |
| Input Circuit | 16 channels |
Main equipment configuration
1. AC power supply: AC steady current power supply single phase 400A, 2 outputs 2 sets.
2. Temperature rise test standard copper bar 30*5*2000mm, quantity 12 pcs.
3. The temperature rise test soft connection is used to connect the connecting conductor between the output end of the temperature rise test equipment and the standard copper bar or the test product, which is made of soft copper conductor. Quality requirements: Copper tube (wall thickness 2mm) and tinned copper braid (φ0.2 mm) are cold pressed, tinned at both ends, free tolerance. Cross-sectional area 250 square, length 1000mm, number 6 sets.
Lines for temperature rise test: 1,1.5,2,.5,4,6,square, each specification is 2 meters in length, 2 pieces of each; 10,16,25,50,70, square, the length of each specification is 2 meters, the quantity is 2 pieces of each; 95,120,240 square, each specification length is 1 meter, the quantity is 2 pieces of each;
4. Temperature acquisition system: 16-channel temperature acquisition system with 1 set of removable chassis, including 16 imported T-shaped thermocouples with length of 3m.
5. 1 laptop (including PC monitoring software, 1 wifi system).


