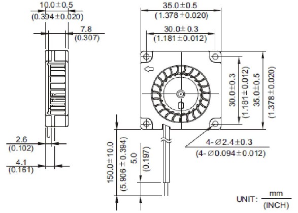
35mm x 35mm x 10mm 1 . 4 Inch DC Blower Fan 5V / 12V / 3510 Fan Blower
Blower dc fan 35mm, low noise and long life expectancy, are widely used in the computer information technology, network communications, as well as industrial production equipment, medical equipment, home appliances, etc.
| 1 | Electric Strength | 5mA max at 1500VAC for 1 min between lead wire and frame |
| 2 | Insulation Resistance | 10M ohm between lead wire and frame(DC 500V) |
| 3 | Life Expectancy(Ball bearing): | 50000hrs min at 40 degree C/L10 relative humidity 65%+/-20% |
| 4 | Life Expectancy(Hypro bearing): | >40000hrs min at 40 degree C/L10 relative humidity 65%+/-20% |
| 5 | Life Expectancy(Fluid Dynamic bearing): | >60000hrs min at 40 degree C/L10 relative humidity 65%+/-20% |
| 6 | Operation Temperature | -10~75 degree C(+14~167 degree F),normal; -10~90 degree C(+14~194 degree F), specification |
| 7 | Storage Temperature |
Storage Temperature: -40~75 degree C(-40~167 degree F) |
| 8 | Protection | Motor protection and polarity protection |
| 9 | Lead wire | UL1571 AWG28,30; UL1007 AWG24,26; UL1061 AWG26 |
| 10 | Plastic Material | Motor protection and polarity protection |


Competitive Advantage:
*Qualified, cost effective and easily operated
*Small in shape, have compact structure
*UL, CE, Rohs, CUL, CCC
* Competitive Pricing
* Keep Investing and Developing In New Products
* The Most Advanced Testing and Measuring Equipment
* On-Time Delivery
