60×60×15mm DC Centrifugal Fan / 12V DC Blower Fan / 2.4 INCH DC Snail Fan Motor
Applications:
Topfan’s fan products are utilized by all type of machines which required heat reduction systems,
such as UPS systems; Telecommunication equipments; Ventilating systems; LED Digital signage; Disports/exercise equipments; Medical instruments.
Description:
● High speed , Middle speed, Low speed
● Plastic Frame and Plastic impeller
● 5V DC 12V DC or 24V DC
● Ball bearing or Sleeve bearing or Hydraulic bearing
● Terminal or Lead wire
● Waterproof explosion proof or high proof are can be satisfied.
A: Specifications:

B: (Main Materials, Parts Specification):
| Bearing | ■(Dual Ball Bearing) | □ | (Sleeve Bearing) | |||||||
| Frame | ■ | PBT of UL94V-0. | □ | Die-cast Aluminum Alloy | ||||||
| Impeller | ■ | PBT of UL94V-0. | □ | Steel | ||||||
| Bobbin | PBT of UL94V-0. | |||||||||
| Lead Wire | ■ | Red(+) | ■ | Black(-) | □ | Blue(PWM) | UL 1571 28# | |||
| □ | Yellow(FG) | □ | White(RD) | 2 wires 100±10mm | ||||||
| Connector | No | |||||||||
| Tube | No | |||||||||
C: Electrical Specification:
| ITEM |
| Specification. Condition | |||
| Locked Rotor Protection | □ | Safety Condition | |||
| | Auto power off after locked at rated voltage for 1sec | ||||
| Polarity Protection | ■ | Open circuit when Vcc&GND are exchanged | |||
| □ | Circuit won’t be burned within 5 seconds when Vcc &GND are exchanged | ||||
| Insulation Resistance | 10MΩ Between unshielded wire and frame at 500VDC/min | ||||
| Dielectric Strength | 5mA Max/ Measured b/w lead wire(+)and frame at 500VAC/min | ||||
| Special Function | □ | Soft Start | □ | Current Limiter | |
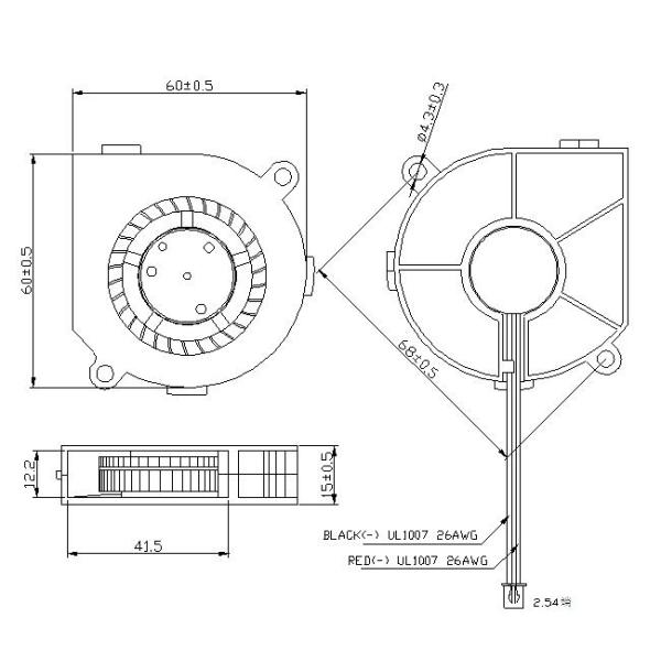
Dimensions (Unit:mm)

Packing: carton box or as customer's requirements
Shipping:
1. The fan will be delivered by express ( FedEx, DHL, DHl or TNT ) for under 100 kg, our shipping agnet have perfect discount with these express company.
2. Large Measure are shipped by ship or by air as customer's requirements.
3. The fan can be dispatched by our truck driver if your factory is in Shenzhen, Dongguang or Guangzhou City.