3 lights high stabilization 30x EO sensor UAV Payload
Two axis three lights stablized UAV Payload camera-TS150C-02, support RS422 and ethernet/IP output, adopt both EO sensor and Thermal camera to achieve target auto-tracking. High accuracy vision stabilization in different axial directions. And high resolution of 30x EO & IR thermal camera ensures the tracking process render clear images.
Functions
1. Infrared video and image for detection area provided
2. High precision both with visual axis stabilization
3. Detection and recognition ability for ground target
4. Support searching, tracking, locking, guiding, etc. different working modes
5. Support characters overlay, custom and display
6. Self - check and fault diagnosis
7. Target postioning and laser ranging
Specifications
| EO sensor | Wavelength | 0.4μm~0.9μm | |||
| Resolution | 1920x1080 | ||||
| Focal length | 4.3mm~129mm(30X) | ||||
| FOV | 63.7°~2.3° | ||||
| Video output | HD-SDI(1080P 30Hz) | ||||
| Distance | PEOPLE:Detection 6km;Recognition 2km VEHICLE:Detection 15km;Recognition 8km | ||||
| IR sensor | IR Type | LWIR(un-cooled) |
| Wavelength | 8~14μm | |
| Resolution | 640x512 | |
| Pixel | 12um | |
| NETD | 50mk | |
| Focus length | 50mm/F1.0 | |
| FOV | 8.8º×7.0º | |
| Distance | PEOPLE:Detection 1.4km; Recognition 0.35km VEHICLE:Detection 8.4km; Recognition 2.1km |
| Laser rangefinder | Wavelength | 1535nm |
| Performance | ||
| Ranging distance | 4km | |
| Ranging accuracy | ±3 |
| Servo System | Rotating limits | 360º continuous Pan, Pitch: -110° ~+10 º | ||||
| Angular accuracy: | ≤2mrad | |||||
| Stablization accuracy | ≤100μrad(1σ)(2°/Hz,1°/Hz Swing) | |||||
| Max.angular speed | ≥50°/s | |||||
| Max. angular acceleration: | ≥90°/S | |||||
| Tracking Functions | Motion speed: | 30pixel/frame | ||||
| Target imaging contrast: | 8% | |||||
| Target imaging pixel(Mini) | 4x3 pixels | |||||
| Support | Anti -occlusion without loss of function | |||||
| Interface | Communication interface | RS422 x1(TTL optional) | |||
| Video output | 100mb Ethernet | ||||
Picture



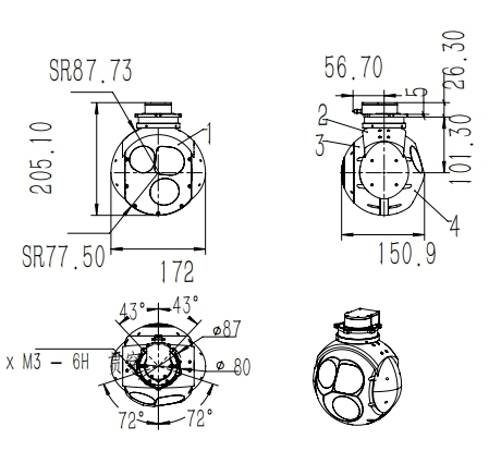
Mechanical Drawing

Company Profile
Chengdu HONPHO Technology Co., Ltd. was established in March 2018. Located in Chengdu Hi-Tech Zone, Sichuan Province, the company is a national high-tech enterprise focusing on the research and development of medium and high-end optoelectronic systems, intelligent manufacturing and services, a national science and technology-based small and medium-sized enterprises, and a Sichuan Province specializing in special new small and medium-sized enterprises. The core team of the company has been rooted in the overall design and project development of military optoelectronic systems for many years, and has presided over and participated in the research and development of many domestic and international key model projects, and has been awarded 10 second-class awards for national and national defense scientific and technological progress and above, as well as 18 intellectual property rights.

Certificate of HONPHO
