Eaton/Vickers VQ Series Low Noise Industrial Vane Pump
The V series pumps are designed for medium pressure industrial applications. The intra-vane cartridge design provides long operating life, outstanding volumetric efficiency (more than 90%) and excellent serviceability. The super-quiet (as low as 62 dB(A) 12-vane system is ideal for the indoor industrial environment.
Eaton/Vickers VQ Series Vane Pump Features :
Pressure balanced vane design
Modular construction
Wide range of displacements
Double, triple and through drive pump options
Eaton/Vickers VQ Series Hydraulic Vane Pump Benefits :
-Low noise and long life
-Ease of repair and serviceability
-Wide range of applications
-Compact for limited space installation
Hydraulic Vane Pump Model code:
Single pump--vane motor 20VQ, 25VQ,35VQ, 45VQ
Double pump--- vane motor 2520VQ, 3520VQ, 3525VQ, 4520VQ, 4525VQ, 4535VQ
Can be exchanged with the original ones completely:
VQ SINGLE PUMP DATA
| MODEL | DIS.CODE | DIS.CC/R | Max speed | Max Pressure | WEIGHT |
| 20VQ | 2 | 7 | 2700 | 14 | 12 |
| 3 | 11.7 | 21 | |||
| 4 | 15 | ||||
| 5 | 18 | ||||
| 6 | 19 | ||||
| 7 | 22 | ||||
| 8 | 27 | ||||
| 9 | 30 | ||||
| 10 | 33 | ||||
| 11 | 36 | ||||
| 12 | 40 | 16 | |||
| 14 | 45 | 14 | |||
| 25VQ | 10 | 33 | 2700 | 21 | 14.8 |
| 12 | 40 | ||||
| 14 | 45 | ||||
| 17 | 55 | 2500 | |||
| 19 | 60 | ||||
| 21 | 67 | ||||
| 35VQ | 21 | 67 | 2500 | 21 | 22.7 |
| 25 | 81 | ||||
| 30 | 97 | ||||
| 35 | 112 | 2400 | |||
| 38 | 121 | ||||
| 45VQ | 42 | 138 | 2200 | 17.5 | 34 |
| 45 | 147 | ||||
| 50 | 162 | ||||
| 57 | 180 | ||||
| 60 | 193 | ||||
| 66 | 208 | ||||
| 75 | 237 | 14 |
VQ SERIES DOUBLE PUMP TECHNICAL DATA
| MODEL | DIS.SHAFT END | DIS.REAR END | |||||||
| 2520VQ | 10,12,14,17,19,21 | 2,3,4,5,6,7,8,9,10,11,12,14 | |||||||
| 2525VQ | 10,12,14,17,19,21 | 10,12,14,17,19,21 | |||||||
| 3520VQ | 21,25,30,35,38 | 2,3,4,5,6,7,8,9,10,11,12,14 | |||||||
| 3525VQ | 21,25,30,35,38 | 10,12,14,17,19,21 | |||||||
| 4520VQ | 42,45,50,57,60,66,75 | 2,3,4,5,6,7,8,9,10,11,12,14 | |||||||
| 4525VQ | 42,45,50,57,60,66,75 | 10,12,14,17,19,21 | |||||||
| 4535VQ | 42,45,50,57,60,66,75 | 21,25,30,35,38 | |||||||
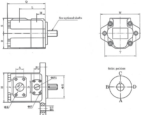
VQ SINGLE PUMP DIM.(mm)

| MODEL | Q | L | M | N | R | W | T | V | |
| 20VQ | 156 | 133 | 63.5 | 101.6 | 55.4 | 175 | 146 | 14.2 | |
| 25VQ | 162 | 121 | 38 | 101.6 | 63.5 | 175 | 146 | 14.2 | |
| 35VQ | 185 | 125 | 38 | 127 | 69.9 | 213 | 181 | 17.5 | |
| 45VQ | 216 | 153 | 43 | 127 | 82.6 | 213 | 181 | 17.5 | |
| MODEL | H | E | J | A | B | P | P1 | K | F |
| 20VQ | 132 | 13 | 47.5 | 22.2 | 35.7 | 38.1 | 19 | 3/8″-16UNC-2B×19 | 1/2″-13UNC-2B×21 |
| 25VQ | 118 | 13 | 69.9 | 35.7 | 26.2 | 38.1 | 25.4 | 1/2″-13UNC-2B×22.3 | 3/8″-16UNC-2B×19 |
| 35VQ | 140 | 16 | 77.8 | 42.9 | 30.2 | 50.8 | 31.8 | 1/2″-13UNC-2B×23.8 | 7/16″-14UNC-2B×22.3 |
| 45VQ | 159 | 16 | 106.4 | 61.9 | 35.7 | 76.2 | 38.1 | 5/8″-11UNC-2B×22.3 | 1/2″-13UNC-2B×23.8 |
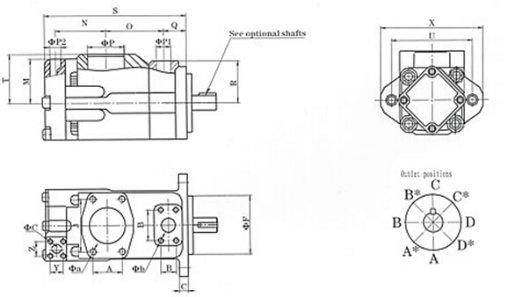
VQ SERIES DOUBLE PUMP DIM.(MM)

| MODEL | A | B | C | P1 | E | G | P | J | P2 | L |
| 2520VQ | 50.8 | 26.2 | 12.7 | 25.4 | 52.4 | 9.53 | 63.5 | 88.9 | 19.1 | 14 |
| 2525VQ | 50.8 | 26.2 | 12.7 | 25.4 | 52.4 | 9.53 | 63.5 | 88.9 | 25.4 | 14 |
| 3520VQ | 62 | 30.1 | 15.9 | 31.7 | 58.7 | 9.53 | 76.2 | 106.3 | 19.1 | 18 |
| 3525VQ | 62 | 30.1 | 15.9 | 31.7 | 58.7 | 9.53 | 76.2 | 106.3 | 25.4 | 18 |
| 4520VQ | 69.9 | 35.7 | 15.9 | 38.1 | 69.9 | 12.7 | 88.9 | 120.6 | 19.1 | 18 |
| 4525VQ | 69.9 | 35.7 | 15.9 | 38.1 | 69.9 | 12.7 | 88.9 | 120.6 | 25.4 | 18 |
| 4535VQ | 77.8 | 35.7 | 15.9 | 38.1 | 69.9 | 12.7 | 102 | 130.2 | 31.7 | 18 |
| MODEL | M | N | O | Q | R | T | U | X | Y | Z |
| 2520VQ | 76.2 | 88.1 | 101.6 | 38.1 | 76.2 | 85.3 | 146 | 174.7 | 22.2 | 48 |
| 2525VQ | 76.2 | 97.5 | 101.6 | 38.1 | 76.2 | 85.3 | 146 | 174.7 | 26.2 | 52 |
| 3520VQ | 76.2 | 99.6 | 114.3 | 38.1 | 82.6 | 84 | 181 | 213 | 22.2 | 48 |
| 3525VQ | 74.7 | 109.5 | 114.3 | 38.1 | 82.6 | 88.9 | 181 | 213 | 26.2 | 52 |
| 4520VQ | 76.2 | 102 | 119.4 | 42.9 | 93.7 | 88.9 | 181 | 213 | 22.2 | 48 |
| 4525VQ | 74.7 | 136 | 119.4 | 42.9 | 93.7 | 102 | 181 | 213 | 26.2 | 52 |
| 4535VQ | 101.6 | 148.3 | 133.3 | 42.9 | 93.7 | 102 | 181 | 213 | 30.2 | 59 |
| MODEL | a | b | c | |||||||
| 252*VQ | 1/2″-13UNC-2B×23.8 | 3/8″-16UNC-2B×19.05 | 3/8″-16UNC-2B×19.05 | |||||||
| 352*VQ | 5/8″-11UNC-2B×28.5 | 7/16″-14UNC-2B×22.2 | 3/8″-16UNC-2B×19.05 | |||||||
| 452*VQ | 5/8″-11UNC-2B×31.75 | 1/2″-13UNC-2B×23.8 | 3/8″-16UNC-2B×19.05 | |||||||
| 4535*VQ | 5/8″-11UNC-2B×31.75 | 1/2″-13UNC-2B×23.8 | 7/16″-14UNC-2B×22.3 | |