E-T-A Double Pole Electronic Circuit Breaker ESS22-T electronic circuit breaker
The electronic circuit breaker type ESS22-T extends the E-T-A product range of electronic circuit protection for DC 24 V applications. It is a double pole version providing physical isolation. It meets the requirements of the machinery directive 2006/42/EC and the affiliated standard EN 60204-1 "Safety of Machinery, Electrical Equipment of Machines”, para 9.4.3.1.
The combination of active electronic current limitation in the event of a short circuit and overload disconnection from 1.1 times rated current provides double pole selective protection of DC 24 V load systems.
DC 24 V power supplies, which are widely used in industry today, will shut down the output in the event of an overload with the result that one faulty load in the system can lead to complete disconnection of all loads. As well as an unidentified failure this also means stoppage of the whole system.
Through selective disconnection the ESS22-T responds much faster to overload or short circuit conditions than the switch-mode power supply. This is achieved by active current limitation. The ESS22-T limits the highest possible current to typically 1.4 times the selected rated current. Thus it is possible to switch on capacitive loads of up to 20,000 µF, but they are disconnected only in the event of an overload or short circuit.
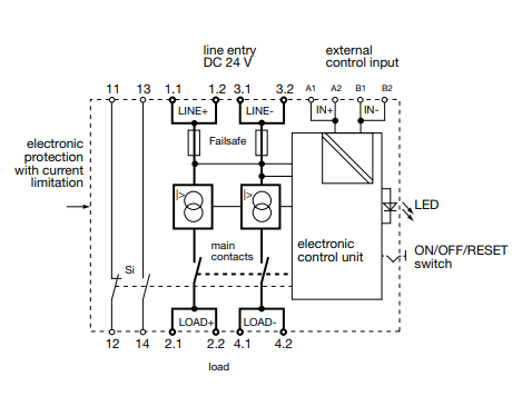
For optimal alignment with the characteristics of the application the current rating of the ESS22-T can be selected in fixed values from 0.5 A...10 A. Failure and status indication are by a multicolour LED and integral signal contacts. Remote operation is possible by means of a physically isolated control input. The manual ON/OFF button allows separate actuation of individual load circuits.
The ESS22-T, with a width of only 22.5 mm, can be snapped onto symmetrical rails ensuring ease of installation and saving space in control cabinets.
Upon detection of overload or short circuit in the load circuit, the MOSFET of the load output will be blocked to interrupt the current flow. In addition the load output will be physically isolated by a mechanical switching element. The load circuit can be re-activated via the physically isolated reset input or manually by actuation of the ON/OFF button.
| Brand name | E-T-A |
| Model | ESS22-T |
| Voltage rating | DC 24V |
| Number of poles | 2-Pole |
| Current limitation | ensured by switch mode power supply |
| Status indication | 1 LED green/orange/red: status/fault |
| Temperature range | 0...+50 °C |
| Terminal design | screw terminals |
| Weight | 110g |


