Yokogawa digital Vortex Flowmeter DY200
Based on the field proven technology
digital combines the field proven sensor and body assembly used in more than 300,000 units installed worldwide, with an unique digital electronics including SSP (Spectral signal processing)* technology.
digital provides high accuracy and stability, even in harsh process conditions.
Combined with high reliability and robust design, it delivers improvements in plant efficiency and reduced operating costs.
digital Multi-Variable Type (OPTION:/MV) build in temperature sensor, so that temperature
measurement and Mass Flow calculation is available.
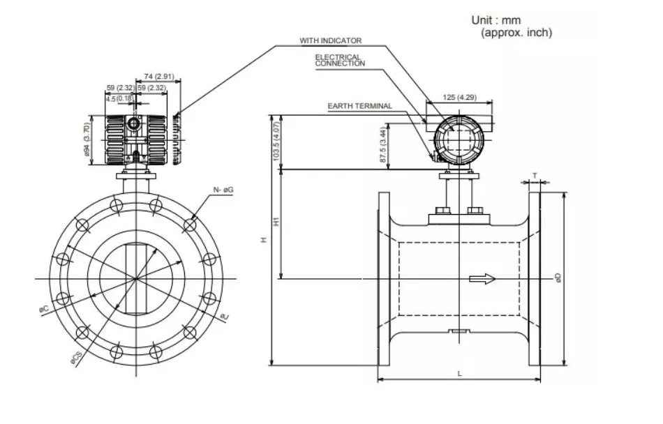
digital Reduced Bore Type (OPTION:/R1, /R2) Integrated and casting construction with concentric
reduced bore piping.
It benefits piping cost reduction and lower flow range.
SSP is YOKOGAWA’s original technology for digital signal processing.
| ||||||||||||||||||||||||||||
FEATURES
New functions with SSP (Spectral Signal Processing) technology
SSP is built into the powerful electronics of digital . SSP analyses the fluid conditions inside digital and uses the data to automatically select the optimum adjustment for the application, providing features never before realized in a vortex flowmeter.
SSP accurately senses vortices in the low flow range, providing outstanding flow stability.
Advanced Self-diagnostics : The application condition, such as high pipeline vibration and abnormal flow, is predicted and indicated.
High Accuracy
±0.75% of Reading (Liquid)
(±0.5% of Reading : Typical Accuracy/ Non-Guaranteed)
±1% of Reading (Gas, Steam)
Wide Process Temperature Range :
High temperature version up to 450°C
Cryogenic version minimum –196°C

