12V DC RK-370 Motor Worm Gear Shaft Electric Motors 4700RPM Car AV Actuator CE
RK-370SA-15270 12V DC Motor Techincal Parameters:
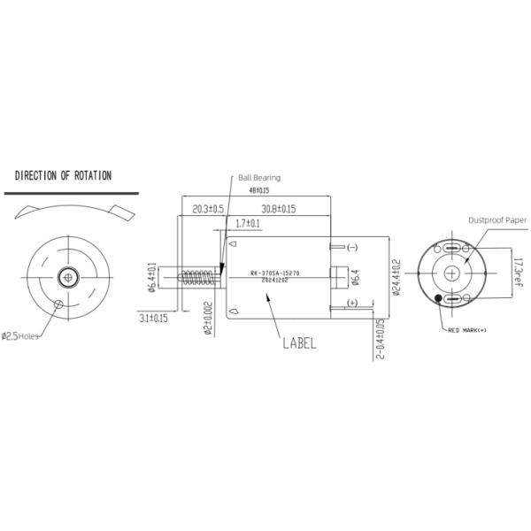
Model: RK-370CB-15270 Motor
Shaft Type: Worm Gear Shaft
Output Shaft Diameter: 2mm
Output Shaft Length:20.3±0.5mm (L)
Motor Body Diameter: 24.4±0.2mm
Motor Body Length: 30.8±0.15mm
Voltage Range: DC11V-13V
Rated Voltage:12V
Front Steps Diameter:6.4±0.1mm
Front Step Height: 1.7±0.1 mm
No-load Speed :4500±450r/min
No load Current:80mA
Rated Load Speed:3150±315r/min
Rated Load Current:650mA max
Starting Torque/stall torque:420g.cm
Insulation Resistance:10.0 MΩ(min.)
RK-370SA-15270 12V DC RK-370 Motor Worm Gear Motor Dimension / Size :


Notes:
1.No remarkable scraches or dents on the surface.
2. Tolerances not otherwise specified decimal:士0. 3mm.
Lihua Motor Automotive Air Condition Damper Actuator Solution
In the process of developing and manufacturing motors, Lihua Motor has custom-designed the RK-370CB-15270 motor specifically for automotive air condition damper actuator applications. This motor meets the stringent technical requirements of damper systems in terms of voltage, torque, and noise control, ensuring reliable and efficient performance in automotive HVAC systems.
Operating Voltage
The RK-370CB-15270 motor operates within a voltage range of DC 11V-13V, with a rated voltage of 12V. This ensures voltage stability under dynamic vehicle conditions, providing consistent performance across various driving scenarios.
Torque Performance
Torque output is a critical performance metric in all motor-driven applications. The RK-370CB-15270 motor features a high-torque design, delivering a starting torque (stall torque) of 420 g·cm. This enables effective actuation of the damper and maintains stable airflow regulation, ensuring optimal performance in HVAC systems.
Speed and Efficiency
No-load Speed: 4500±450 RPM
Rated Load Speed: 3150±315 RPM
No-load Current: 80mA
Rated Load Current: 650mA max
These parameters ensure the motor operates efficiently under both no-load and load conditions, providing reliable performance while minimizing energy consumption.
Noise Control
Noise levels during motor operation significantly impact the overall comfort of the system. To address this, Lihua Motor has incorporated an optimized noise reduction design in the RK-370CB-15270 model. This ensures low noise levels throughout the motor's lifecycle, contributing to a quieter and more comfortable driving experience.
Mechanical Design
Shaft Type: Worm Gear Shaft
Output Shaft Diameter: 2mm
Output Shaft Length: 20.3±0.5mm
Motor Body Diameter: 24.4±0.2mm
Motor Body Length: 30.8±0.15mm
Front Steps Diameter: 6.4±0.1mm
Front Step Height: 1.7±0.1mm
The compact and precise design of the RK-370CB-15270 motor ensures easy integration into automotive HVAC systems, while its robust construction guarantees durability and long-term reliability.
Insulation Resistance
The motor features an insulation resistance of 10.0 MΩ (min.), ensuring safe and reliable operation even in demanding environments.
The RK-370CB-15270 motor from Lihua Motor is a tailored solution for automotive air condition damper actuators, offering excellent voltage adaptability, high torque output, and superior noise control. Its advanced design ensures reliable and efficient operation, making it an ideal choice for modern automotive HVAC systems.

Q&A
Q1: What is an HVAC Damper Actuator?
An HVAC damper actuator is a device used in heating, ventilation, and air conditioning (HVAC) systems to control the opening and closing of dampers. Dampers are plates or valves that regulate airflow within ducts, directing air to specific areas or zones in a building. The actuator is the motorized component that moves the damper based on signals from the HVAC control system, ensuring precise temperature and airflow management for optimal comfort and energy efficiency.
Q2: Is This the Motor on My Damper?
If your damper is part of an HVAC system and is motorized, it likely uses a damper actuator motor. The motor is responsible for driving the damper's movement, allowing it to open, close, or adjust its position. To confirm whether the RK-370CB-15270 motor or a similar model is used on your damper, you would need to check the specifications of your HVAC system or consult the manufacturer's documentation. Motors like the RK-370CB-15270 are commonly used in such applications due to their reliability, precise control, and compatibility with HVAC requirements.
Q3: Comparison Between Lihua Motor's RK-370CB-15270 and Mabuchi Motors
Lihua Motor's RK-370CB-15270 motor can serve as a direct replacement for Mabuchi motors in automotive air conditioning damper actuator applications. Here are the key points of comparison:
Performance:
The RK-370CB-15270 motor is designed to meet the rigorous demands of automotive HVAC systems, offering high torque (420 g·cm starting torque) and stable operation within an 11V-13V voltage range.
It delivers performance comparable to Mabuchi motors, ensuring reliable damper actuation and airflow control.
Quality:
Lihua Motor uses high-quality raw materials in the production of the RK-370CB-15270, ensuring durability and long-term reliability.
The motor undergoes strict quality control processes, making it a dependable alternative to Mabuchi motors.
Noise Control:
The RK-370CB-15270 features an optimized noise reduction design, ensuring quiet performance, which is critical for automotive comfort.
Cost-Effectiveness:
As a high-performance and cost-effective alternative, the RK-370CB-15270 provides excellent value without compromising on quality or functionality.