RF-1230CA 12mm*30mm Mini DC Motor 1.5V 22400Rpm High Rpm Electric Motor Small Fan Motor
The RF-1230CA mini motor is a brand-new, original high-speed motor designed for demanding applications. Known for its high power output and efficient performance, this motor is widely used in model building, prescious instrument, and other high-speed projects.What's more RF-1230 motors with other connecters also can be following products:
The application scope of RF-1230 motor mainly includes the following aspects:
Stage laser light: RF-1220 motor is often used in DC motors of stage laser lights, providing stable power support
Personal leisure products: This motor is also suitable for personal leisure products such as massagers, adult products, sex toys, etc., providing vibration functions.(RF-1220 Vibrating Motor)
Eye massager: RF-1220 motor is used as a vibration motor for eye massager to help relieve eye fatigue.(RF-1220 Vibrating Motor)
Electric toys: It is also widely used in entertainment equipment such as children's toys and electric fans.
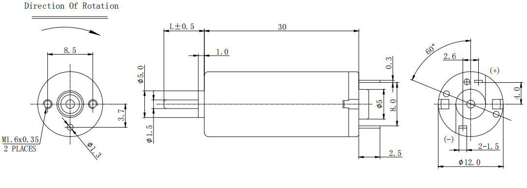
RF-1230CA Micro Motor For DIY Small Fan Techincal Parameters:
Model: RF-1230Motor
Shaft Diameter: 1.5mm
Shaft Length: Free-Customization (L)
Motor Body Diameter: 12mm±0.1mm
Motor Body Length: 30mm±0.3mm (Without Shaft Length)
Voltage Range: DC 1V-3V
Front Steps Diameter:5mm
Front Step Height: 1 mm
Diagonal Installation Pitch: 8.5mm
Mounting Hole Size: M1.6*0.35mm
Mounting Holes: 2 Holes
RF-1230CA 12mm*30mm Small DC Motor1.5V 22400Rpm Electric Motor Dimension


1230 Size Mini Motor 12mm*30mm Mini Motor Information
RF-1230 motor small size, high speed, 1V-3V voltage can be powered, can be used to make small fans, small wind vehicles and other small production use, is a primary and secondary school students handmade choice, good motor accessories.
Specification:
Motor diameter: 12mm
Motor length:30mm (Without Shaft Length)
Motor shaft diameter: 1.5mm
Shaft length: 7mm
Voltage range: 1-3V
Motor speed: 22400 RPM at 3V
Current parameter: no load 0.43A, load 5.6A
The 1230 Micro DC Motor is a high-speed, high-torque motor engineered to meet the demands of diverse applications. Measuring just 12mm in diameter and 30mm in height, this miniature motor is exceptionally compact and lightweight, making it perfect for projects with limited space. Its output shaft, with a diameter of 1.5mm and a length of 5.5mm, ensures a secure and reliable connection for various attachments. Operating at 3V with a current draw of 0.09A, this motor delivers an impressive speed of 14,500 RPM, combining efficiency with powerful performance.
The 1230 Micro DC Motor is not only a powerhouse but also a highly versatile component suitable for a wide range of applications. Whether you're constructing a robot, working on a DIY project, or developing a small appliance, this motor is a dependable choice. Its ability to deliver high torque at low RPM makes it ideal for tasks requiring consistent power output, such as small engines or electrical DC motors. Built with durable materials, the motor ensures long-lasting performance, making it a valuable addition to any toolkit.
Compact Size: 12mm diameter, 30mm height.
High Speed: 22,400 RPM at 1.5V.
High Torque: 25g.cm ideal for low RPM applications.
Durable Construction: Ensures longevity and reliability.
Easy Integration: Compatible with a wide range of projects.
Robotics: Powering small robotic components.
DIY Projects: Ideal for custom builds and prototypes.
Small Appliances: Suitable for compact devices requiring efficient motors.
Hobbyist Use: Perfect for model cars, drones, and other hobby projects.
The 1230 Micro DC Motor is a high-performance, compact, and versatile solution designed to meet the needs of both hobbyists and professionals, delivering reliable power and efficiency in a small package.

