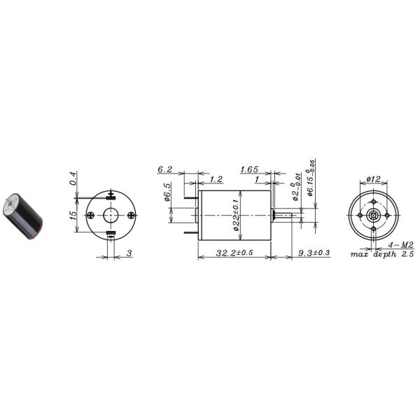
DC Metal Brush Motor. DC Coreless Metal Brush motor 3V6V12V24V.Diameter : 22mm Length : 32mm
Principle:
Assun Metal Brush Series Coreless motors are manufactured with coreless rotors and metal brush commutators.The high efficiency and precision character of metal brushed coreless motor made it perfect for energy critical and fast responding applications such as medical tools and robotic actuators.
Assun DC Brushed Motors are manufactured with coreless rotors for high efficiency, smooth operation and low inertia.These coreless brushed motors are perfect for applications with hogh efficiency and precision control needs.
Power rating from less than 1 watt to 150 watts. diameter from 16mm to 40mm, Assun DC brushed motors can be used for various DC drive systems. Graphite and metal brushes are to be chosen for different operation conditions.
Product introduction:
AM-CL2232MAN-1205
1.Coreless Metal Brush DC motor diameter 22mm. length 32mm. 12V.
2.Nominal voltage : 12V. No load speed ±12%: 4986 rpm.
3.No load current Max150% : 7 mA. Max cont.torque: 7.8mN.m. Rated Speed : 3769 rpm.
4.Rated Current: 350 mA. Rated Power: 3.1 W. Starting current :1412mA. Stall Torque : 32 mN.m.
5. Maximum power output : 4.2W. Maximum Efficiency : 86 %. Terminal resistance ±12% : 8.5Ω.
6.Weight : 56.6g.
7.DC Coreless Metal Brushed motor can install the corresponding with Encoder and Planetarty gearbox.
Product Details:
| Motor Model | AM-CL2232MAN-1205 | Unit |
| Nominal voltage | 12 | V |
| No load speed ±12% | 4986 | rpm |
| No load current Max150% | 7 | mA |
| Max cont.torque | 7.8 | mN.m |
| Rated Speed | 3769 | rpm |
| Rated Current | 350 | mA |
| Rated Power | 3.1 | W |
| Starting current | 1412 | mA |
| Stall Torque | 32 | mN.m |
| Maximum power output | 4.2 | W |
| Maximum Efficiency | 86 | % |
| Terminal resistance ±12% | 8.5 | Ω |
| Inductance (1KHz) | 0.54 | mH |
| Mechanical time constant | 9.5 | ms |
| Moment of inertia | 5.82 | gcm² |
| Torque constant | 22.9 | mN.m / A |
| Speed constant | 418 | rpm / V |
| Speed / torque gradient | 155.2 | rpm / mN.m |
| Weight | 56.6 | g |


Recommended Gearbox:
Planetary Gearbox : AM-20GP. AM-24GP.
Recommended Encoder :
Encoder S : AM-EN2211S***
2~3 Channels.
Appliation:
Assun Motor application of positive element brushless precision servo motor in intelligent equipment

Motor data tested at 25℃.Motor operation exceeding continuous limits will reduce life or result in damage.
At elevated ambient temperature.load current must be reduced.
More information. please vist our website : www.assunmotor.com