What is a DC cooling fan?
DC fans also known as DC Brushless Fans are basically cooling fans engineered to meet requirements such as higher air flows at high static pressures. RENGANG manufactures Brushless DC fans in varied sizes ranging from 60 mm to 280 mm. These fans are available in the plastic blade as well as the metal blade.
What are axial fans used for?
In general, an axial-flow fan is suitable for a larger flow rate with a relatively small pressure gain and a centrifugal fan for a comparatively smaller flow rate and a large pressure rise. They are used to supply fresh air, suck air from return air trenches, suck air from rotary filters, exhaust air out, etc.
AC Axial Cooling Fan RGD17251
Energy Saving Noise Reduction Soft Wind Long Lasting
Basic Parameter:
| Model No. | Bearing | Voltage | Operating Voltage | Current | Rated Input Power | Air Flow | Max. Air Pressure | Noise | Speed | ||||
| (V) | (V) | (A) | (W) | (m3/min) | (CFM) | (mm-H2O) | (Inch-H2O) | (dBA) | (RPM) | ||||
| RGD17251L12B(S) | Ball/Sleeve | 12 | 7~13.5 | 0.8 | 9.6 | 4.877 | 172.21 | 10.92 | 0.430 | 56.1 | 2500 | ||
| RGD17251M12B(S) | 2.4 | 28.8 | 5.930 | 209.40 | 15.33 | 0.604 | 58.3 | 3000 | |||||
| RGD17251H12B(S) | 4.41 | 53 | 7.026 | 248.09 | 21.33 | 0.840 | 62.5 | 3500 | |||||
| RGD17251HH12B(S) | 6 | 72 | 8.015 | 283.00 | 27.36 | 1.007 | 65.5 | 4000 | |||||
| RGD17251VH12B(S) | 7.6 | 91.2 | 9.220 | 325.57 | 37.57 | 1.479 | 68.2 | 4500 | |||||
| RGD17251HV12B(S) | 10 | 120 | 10.243 | 361.69 | 45.36 | 1.786 | 71.4 | 5000 | |||||
| RGD17251L24B(S) | 24 | 18~26.5 | 0.4 | 9.6 | 4.877 | 172.21 | 10.92 | 0.430 | 56.1 | 2500 | |||
| RGD17251M24B(S) | 1.2 | 28.8 | 5.930 | 209.40 | 15.33 | 0.604 | 58.3 | 3000 | |||||
| RGD17251H24B(S) | 2.2 | 53 | 7.026 | 248.40 | 21.33 | 0.840 | 62.5 | 3500 | |||||
| RGD17251HH24B(S) | 3 | 72 | 8.015 | 283.00 | 27.36 | 1.007 | 65.5 | 4000 | |||||
| RGD17251VH24B(S) | 3.8 | 91.2 | 9.220 | 325.57 | 37.57 | 1.479 | 68.2 | 4500 | |||||
| RGD17251HV24B(S) | 5 | 120 | 10.243 | 361.57 | 45.36 | 1.786 | 71.4 | 5000 | |||||
| RGD17251L48B(S) | 48 | 36~54 | 0.2 | 9.6 | 4.877 | 172.21 | 10.92 | 0.430 | 56.1 | 2500 | |||
| RGD17251M48B(S) | 0.6 | 28.8 | 5.930 | 209.40 | 15.33 | 0.604 | 58.3 | 3000 | |||||
| RGD17251H48B(S) | 1.1 | 53 | 7.026 | 248.40 | 21.33 | 0.840 | 62.5 | 3500 | |||||
| RGD17251HH48B(S) | 1.5 | 72 | 8.015 | 283.00 | 27.36 | 1.007 | 65.5 | 4000 | |||||
| RGD17251VH48B(S) | 1.9 | 91.2 | 9.220 | 325.57 | 37.57 | 1.479 | 68.2 | 4500 | |||||
| RGD17251HV48B(S) | 2.5 | 120 | 10.243 | 361.57 | 45.36 | 1.786 | 71.4 | 5000 | |||||
Different customer requirements and different raw materials will lead to different data. All designs and specifications are for reference only and are subject to change without notice.
Provider details are used for reference only. For future information, please contact us.
| Product Name | DC Axial Waterproof Cooling Fan |
| Warranty | 1 Year |
| After-sales Service | Online Support |
| Insulation | Above 10M Between Lead Wire and Frame DC500V |
| Motor | DC Brushless Motor |
| Waterproof Grade | Ip 68 |
| Certification | CE, RoHS |
| Lifetime | 40000 Hours |
| Customized Support | OEM, ODM |
| Storage Temperature | -20℃~80℃ |
| Operating Temperature | -10℃~70℃ |
| Power Connection | Terminal, Lead Wire |
| Bearing Type | Ball/Sleeve |
| Lead Wire | AWG#24 UL 1007 (Optional) |
Applicable: industrial, welding machine, etc.

Customized
1. Nominal voltage:
DC (3V, 5V, 7V, 9V, 12V, 18V, 24V, 48V ...)
AC (100-125v, 220-240v, 380v)
2. The airflow, air pressure, speed, and rated voltage can be customized according to customer requirements.
3. Sleeve bearing: 30000 hours at 25 ° C temperature
Hypro bearing: 30,000 hours at 40 ° C temperature
Ball-bearing NMB: 50,000 hours at 40 ° C temperature
4.Parameter: speed (RPM), airflow (CFM), noise (dBA),
5. Power Joint: Terminal
Lead wire (+, -, tachometer sensor, lockout alarm, speed control)
6. Water and dust resistance: IP xx (IP 68 is the highest level)
7. Private Labeling: All axial fans can be privately labeled.
8. 2-wire, 3-wire, or 4-wire (PWM / FG / RD function) can be made if required.
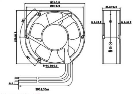
Drawing:

Characteristic Curve:

At present, the quiet, low power consumption, large air volume, large wind pressure, high power, and large size waterproof fans designed and developed by our company are mainly aimed at Humidification, communication power supply, communication chassis, industrial control equipment, freezer, refrigerator, frequency converter, military products, diving equipment, ship components, inverter power supply, industrial power supply, industrial equipment and other industries and product design, to meet the needs of customers for a waterproof cooling fan.
Not only for the optimization of conventional specifications of products but also for different industries, different customer needs have opened dozens of sets of 55MM, φ 400MM, φ 450MM, φ 500MM, φ 600MM, φ 700MM series ac, DC fan, EC centrifugal fan, excellent design, air pressure, and air volume is larger, lower noise, longer life;
According to the expectations of different customers for the waterproof fan, the company specializes in the research and development of waterproof fans. At present, the waterproof fan product specifications are complete, from 20MM to 254MM of various sizes of protection grade up to IP68, can fully discharge the water mold, can meet the needs of customers:
For air purification, dust collector, large industrial equipment, base station, the ventilation system has developed a ф 100MM, φ 133MM, φ 150MM, φ 180MM, φ 190MM, φ 220MM, φ 225MM, φ 250MM, φ 255MM, φ 280MM, φ 315MM, φ 3 work, Our waterproof treatment adopts the motor.
.
Parts:

Payment:
1.Trade Assurance: In the first order, we suggest you use Trade Assurance.
2.T/T: If stocks,100% payment before shipping; if customized order, 30% deposit before production and balance 70% should be paid before delivery.
3.Western Union, Money Gram, Paypal, all available.
4.L/C: for large order.

Shipping:
1.ln general, we use international express, DHL, UPS,FedEx,EMS,TNT, etc.Large order: by air or sea, you should choose it.
2. if you have your own forwarder, please tell us the detailed information.

Q: How many workers do you have and how many production lines do you own ?
A: We have 80 workers in normal time, we employ more workers in peak season, about 160 workers.
We own 7 production lines.
Q: What’s bearing type do you have and what is their lifetime difference?
A: We have sleeve bearing, hydraulic sleeve bearing and dual ball bearing. If sleeve fan, the lifetime is 25000hours, if hydraulic sleeve bearing, the lifetime is 30000hours, if ball bearing, the lifetime is 50000hours.
Q: Can you customize required fan or blower?
A: Of course, we have a professional engineering team which can design and develop new fans or blowers according to customer’s requirements.
Q: Can my order ship via UPS or DHL or FedEx or by Air or By Sea? And where is my order ship ?
A: Yes, we can ship. All orders ship from our factory warehouse.
Q: What is your MOQ and lead time ?
A: Our MOQ is 1K. Lead time depends on the order’s quantity, below 50K, the lead time is 15 working days; if over 50K, the lead time is 20 working days.