What is a DC blower?
Blowers rotate fans to cool the inside of office automation (OA) equipment by directing heat outside.
These motors are used for such applications as the OA equipment in which a stronger airflow is required for cooling than the normal type of fan motors.
What is a blower used for?
Blowers are equipment or devices which increase the velocity of air or gas when passed through equipped impellers. They are mainly used for the flow of air/gas required for exhausting, aspirating, cooling, ventilating, conveying, etc.
The blower is also commonly known as Centrifugal Fans in the industry.
DC Blower Fan RGB5020
Energy Saving Noise Reduction Soft Wind Long Lasting
Basic Parameter:
| Model No. | Bearing | Voltage | Current | Rated Input Power | Air Flow | Air pressure | Noise | Speed | |||
| (V) | (A) | (W) | (CFM) | (m3-H2O) | (mm-H2O) | (inch-H2O) | (dBA) | (RPM) | |||
| RGB5020H5B(S) | Ball/Sleeve | 5 | 0.35 | 1.75 | 6.5 | 0.18 | 23.56 | 0.92 | 43 | 5500 | |
| RGB5020M5B(S) | 0.23 | 1.15 | 4.8 | 0.13 | 18.50 | 0.72 | 37 | 4800 | |||
| RGB5020L5B(S) | 0.13 | 0.65 | 3.5 | 0.09 | 11.85 | 0.46 | 32 | 3800 | |||
| RGB5020H12B(S) | 12 | 0.22 | 2.64 | 6.5 | 0.18 | 23.56 | 0.92 | 43 | 5500 | ||
| RGB5020M12B(S) | 0.13 | 1.56 | 4.8 | 0.13 | 18.50 | 0.72 | 37 | 4800 | |||
| RGB5020L12B(S) | 0.09 | 1.08 | 3.5 | 0.09 | 11.85 | 0.46 | 32 | 3800 | |||
All designs and specifications are for reference only and are subject to change without prior notice.
The different customer requirements and different raw materials will lead to different data.
The provider data are used for reference only. For future information, please contact us.
| size | 50x50x25mm |
| construction | glass fiber reinforced plastic; impeller and housing PBT are UL 94V-0 rating |
| operating temperature | sleeve bearing -10°C to +70 °C ball bearing -10°C to +90 °C |
| insulation resistance | 10meg Ohm min, at 500 VDC (between frame and terminal) |
| dielectric strength | 5mA max, at 500 VAC 60Hz one minute (between frame and terminal) |
| lifetime | sleeve bearing: 30000 hours ball bearing: 50000 hours |
Customized Support: OEM, ODM.
After-sales Service Provided: Free Spare Parts
Storage Temperature: -20℃~80℃
Operating Temperature: -10℃~70℃
Insulation Resistance: Above 10M Between Lead Wire And Frame DC 500V
Applicable:
1. Humidifier
2. Air Purifier
3. Car Air Converter
4. LED Light Fixture
5. UPS Power Supply
......

Wire Selection

Customized
1. Rated voltage: 3v 3.3v 5v 9v 12v 18v 24v 48v dc fan / 100VAC - 125VAC / 220V - 240VAC / 380VAC fan
2. Airflow, air pressure, speed, and rated voltage can be customized as customer's requirement
3. Private Labelling: All axial fans can be Privately labeled.
4. 2 wires, 3 or 4 wires (PWM / FG / RD function ) can be made if needed.
5. Sleeve bearing: 30000hours @ 25°C temperature
Hypro bearing : 30000hours @ 40°C temperature
NMB Ball bearing:50000hours @ 40°C temperature
DC FAN is powered by 3.3v 5v 12v 18v 24v 48v,AC FAN powered by 110v 125v 220v 240v 380v,
For more information, please check the below lists to find what you need, feel free to e-mail me.
If you want high-performance products( 6000rpm, waterproof, PWM function, customized fans...) welcome to contact us for more details, thanks
Plug Type:

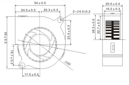
Drawing:

Characteristic Curve:

Payment:
1.Trade Assurance: In the first order, we suggest you use Trade Assurance.
2.T/T: If stocks,100% payment before shipping; if customized order, 30% deposit before production and balance 70% should be paid before delivery.
3.Western Union, Money Gram, Paypal, all available.
4.L/C: for large order.

Shipping:
1.ln general, we use international express, DHL, UPS,FedEx,EMS,TNT, etc.Large order: by air or sea, you should choose it.
2. if you have your own forwarder, please tell us the detailed information.

Q1. What are your terms of packing?
A: Generally, we pack our goods in neutral white boxes and brown cartons. If you have a legally registered patent,
we can pack the goods in your branded boxes after getting your authorization letters,12/24V brushless dc blower,7.5kpa pressure, and 240L/min airflow.
Q2. What are your terms of payment?
A: T/T 30% as deposit, and 70% before delivery. We'll show you the photos of the products and packages
before you pay the balance.
Q3. What are your terms of delivery?
A: EXW, FOB, CFR, CIF, DDU.
Q4. How about a 24V dc blower with a mini-size delivery time?
A: Generally, it will take 30 to 60 days after receiving your advance payment. The specific delivery time depends
on the items and the quantity of your order.
Q5. Can you produce according to the samples?
A: Yes, we can produce your samples or technical drawings. We can build the molds and fixtures.
Q6. What is your sample policy?
A: We can supply the sample if we have ready parts in stock, but the customers have to pay the sample cost and
the courier cost.
Q7. Do you test all your goods before delivery?
A: Yes, we have a 100% test before delivery
Q8: How do you make our business long-term and good relationship?
A:1. We keep good quality and competitive price to ensure our customers benefit ;
2. We respect every customer as our friend and we sincerely do business and make friends with them,
no matter where they come from.