PMBD914 high power Single high speed switching diode 100 V repetitive peak reverse voltage
PMBD914
Single high-speed switching diode
General description
Single high-speed switching diode, fabricated in planar technology, and encapsulated in a SOT23 (TO-236AB) small Surface-Mounted Device (SMD) plastic package.
Features
■ High switching speed: trr ≤ 4 ns
■ Low capacitance: Cd ≤ 1.5 pF
■ Low leakage current
■ Reverse voltage: VR ≤ 100 V
■ Repetitive peak reverse voltage: VRRM ≤ 100 V
■ Small SMD plastic package
Applications
■ High-speed switching
Quick reference data
| Symbol | Parameter | Conditions | Min | Typ | Max | Unit |
| IF | forward current | [1] | - | - | 215 | mA |
| VR | reverse voltage | - | - | 100 | V | |
| trr | reverse recovery time | [2] | - | - | 4 | ns |
[1] Device mounted on an FR4 Printed-Circuit Board (PCB), single-sided copper, tin-plated and standard footprint.
[2] When switched from IF = 10 mA to IR = 10 mA; RL = 100 Ω; measured at IR = 1 mA.
Limiting values
In accordance with the Absolute Maximum Rating System (IEC 60134).
| Symbol | Parameter | Conditions | Min | Max | Unit |
| VRRM | repetitive peak reverse voltage | - | 100 | V | |
| VR | reverse voltage | - | 100 | V | |
| IF | forward current | [1] | - | 215 | mA |
| IFRM | repetitive peak forward current | - | 500 | mA | |
| IFSM
| non-repetitive peak forward current
| square wave [2] | |||
| tp = 1 µs | - | 4 | A | ||
| tp = 1 ms | - | 1 | A | ||
| tp = 1 s | - | 0.5 | A | ||
| Ptot | total power dissipation | Tamb ≤ 25 °C [1][3] | - | 250 | mW |
| Tj | junction temperature | - | 150 | °C | |
| Tstg | storage temperature | −65 | +150 | °C |
[1] Device mounted on an FR4 PCB, single-sided copper, tin-plated and standard footprint.
[2] Tj = 25 °C prior to surge.
[3] Soldering point of cathode tab.
Reverse recovery time test circuit and waveforms

Forward recovery voltage test circuit and waveforms

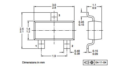
Package outline SOT23 (TO-236AB)
