| Manhole Cover-GETC801A-560/580 | ||||||||
| Manhole Cover TECHNICAL DATA | ||||||||
| whole diameter of Manhole Cover | 20" | |||||||
| Norminal Diameter of Manhole Cover | 10" | |||||||
| Emergency open pressure of Manhole Cover | 21KPa-32KPa | |||||||
| Manhole Cover Max emergency flow rate | 7000m³/h (When 34 Kpa) | |||||||
| Manhole Cover Material | Aluminum Alloy | |||||||
| Manhole Cover Installment mode | Flanged | |||||||
| Temperature range of Manhole Cover | -20~+70℃ | |||||||
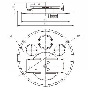
| Main Size Data | ||||||||
| Name | Model | D0 | D1 | D2 | H | b | z-d | |
| manhole cover | GET | C801A-560 | ϕ560 | “ϕ”530 | “ϕ”482 | 88 | 12 | 24-ϕ11 |
| GET | C801A-580 | ϕ580 | “ϕ”542 | “ϕ”496 | 88 | 12 | 24-ϕ11 | |
| Description of Manhole Cover | ||||||||
| Manhole Cover is installed on the top of the tanker to prevent the inside fuel from leakage when the tanker is over rolled. With P/V vent inside to adjust the pressure, When where is pressure differences inside and outside the tanker, it will automatically inlet or exhaust air to adjust the pressure so that it can ensure the safety and environmental protection. It is suitable to transport petroleum, diesel, kerosene, and the other light fuel, etc | ||||||||
| Benefit and Features of Manhole Cover | ||||||||
| 1. Emergency Exhausting Design When the tanker truck is in high temperature condition, the manhole will automatically exhaust the air inside to release the pressure, ensuring the safety of the tanker 2. With P/V vent inside When there is pressure differences inside and outside the tanker it will automatically inlet or exhaust air to adjust the pressure so that it can ensure the safety and environmental protection. 3. Secondary Open Design When open the up blinder plate, it will release the pressure out to prevent the workers’ from pushing over 4. Blinding holes design In the main plate of the manhole, there are three blinding holes can be installed with vapor vent valve, optic Sensor, Dip tube or Ou Tamale Vacuum Valve according to the user’s demand 5. Superior Process Performance The main Plate is stamped, it is more light and sturdy | ||||||||




