Rugged Miniature Single Point Load Cell for Precision Weighing Systems (2kg-50kg) - WL-111
-
Product Description:
Engineered for demanding weighing environments, the WL-111 is a robust single point load cell that delivers consistent accuracy across its entire 2kg to 50kg capacity range. This compact single point load cell features a corrosion-resistant aluminum alloy body, specifically chosen to withstand humidity and industrial contaminants. Whether integrated into a retail pricing scale or a laboratory balance, this single point load cell provides the reliable performance required for critical measurements. The WL-111 single point load cell utilizes precision strain gauge technology to achieve high sensitivity while maintaining excellent temperature stability.
The mechanical design of this single point load cell simplifies platform integration, eliminating the need for complex multi-sensor setups. As a true single point load cell, it effectively compensates for off-center loading, ensuring accurate readings regardless of where the load is placed on the platform. Every WL-111 single point load cell undergoes rigorous testing to verify its low linearity error and repeatability. This commitment to quality means that when you specify this single point load cell, you are selecting a component built for long-term reliability in applications ranging from food preparation to pharmaceutical compounding.
At Brans, we recognize that optimal performance often requires customization. While the WL-111 single point load cell excels in standard configurations, we specialize in adapting this single point load cell to meet unique application requirements. From modified output signals to custom calibration ranges, we can tailor this single point load cell to your exact needs. Contact our team to discuss how we can configure this single point load cell for your specific weighing solution.
Specifications
| Capacity |
2kg/5kg/10kg/15kg/20kg/50kg |
| Combined Error |
0.02%F.S. |
| Non-linearity |
0.02%F.S. |
| Repeatability |
0.02%F.S. |
| Rated Output |
1.8±10%mV/V |
| Zero Balance |
±0.02mV/V |
| Insulation Resistance |
≧5000MΩ/100VDC |
| Recommended Excitation |
5~15VDC |
| Material |
Aluminum Aloy |
| Safe Overload |
150%F.S. |
| Protection Class |
IP65(Customizable) |
| Operation Temp. |
-20~60°C |
| Cable Size |
Ф4x350mm(Customizable) |
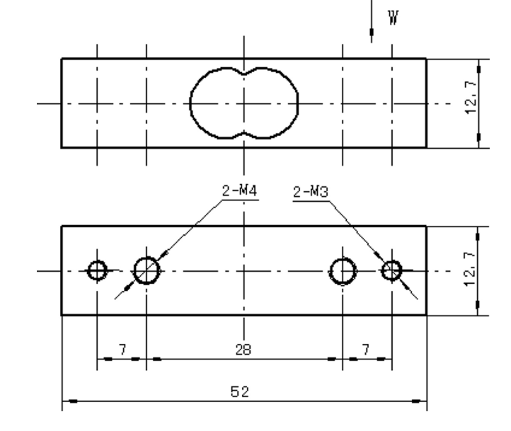
Dimensions(mm)

Load direction

Wiring code

Shipping & Packaging
To ensure safe arrival at your location, the load cell will be carefully packaged and shipped. The packing process is as follows:
1. The load cell will be placed in a sturdy cardboard box to protect it from external damage during shipping.
2. The box will be filled with foam padding to provide additional cushioning and prevent the load cell from moving during shipping.
3. The load cell will be sealed in a plastic bag to protect it from moisture and other environmental factors.
4. Additional layers of bubble wrap will be provided for additional protection.
5. The carton is securely taped to prevent tampering.
6. A shipping label with your address and product information is attached to the box.
7. The package is shipped using a reliable and trusted freight carrier.
Once the package is shipped, you will receive a tracking number to monitor the status of your delivery. Please ensure that someone is available at the delivery address to receive the package to avoid any delays or problems.