XCMG 5 Ton Telescopic Boom Truck Mounted Crane For Landscape Jobs
Quick Details:
Name: Telescopic boom crane
Max. Lifting Capacity: 5 ton
Max. Lifting Moment: 12.5 T.M
Max. Oil Flow of Hydraulic System: 32 L/min
Max. Lifting height: 10meters
Brand: XCMG
Crane Weight: 2120 kg
Oil Tank Capacity: 90 L
Description:
Telescopic crane is a easy to operate and more economical facility. The raise and down are driven by wire rope, easy to accurately control. The barycentre of the crane are far to the mounting point, beneficial for average the loading, the arm are more longer, with wide operating range.
Truck Loader Crane is a type of machine can carry heavy weights and transport them. The truck with crane mounted can load and unload the freight itself and don't need to employ another crane. The loader crane can freely route in 360 degrees, raise and extend, make the loading simple and economic. Compare to the mobile crane, truck loader cranes are more convenient and effective.
XCMG is the first company to develop newer design loader crane in China, shared more than 50% of the Chinese crane market for many recent years by the help of advanced design, good quality, attentive service and competitive price.
Together we define your needs and make the crane to match your request in every detail. The lifting capacity of our loader cranes spans from 2 to 25 ton and outreach over 20 meters.
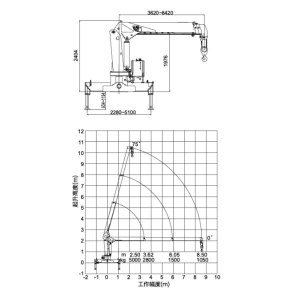
Telescopic boom crane SQ5SK2Q is lifting capacity is 5tons, moment is 12.5T.M.
Applications:
It can be applied on most common Commercial Truck-mounted Cranes. Range covers light to medium crane. With small mounting size and weight to save your payload, minimizing loading and unloading time, is the best choice of truck mounted crane facilities.
Specifications:
| Model | SQ5SK2Q | Unit |
| Max Lifting Capacity | 5000 | kg |
| Max Lifting Moment | 12.5 | T.M |
| Recommend Powe | 18 | kw |
| Max Oil Flow of Hydraulic System | 32 | L/min |
| Max Pressure of Hydraulic System | 20 | MPa |
| Oil Tank Capacity | 90 | L |
| Rotation Angle | All Rotation |
|
| Crane Weight | 2120 | kg |
| Installation Space | 900 | mm |
| Choice of Chassis | CA1140PK2L3EA80 ; DFL1140B ; EQ1126KJ1 ; HFC1132KR1K3 ; LZ1120LAPT ; EQ1141NBJ2 ; EQ5201GFJ6 ; EQ5201GFJ6 ; NXG1160D3ZAL1X; | |
| SQ2SK1Q Lifting capability diagram | ||||
| Working radius(m) | 2.5 | 3.5 | 6 | 8.5 |
| Lifting capacity(kg) | 5000 | 2940 | 1500 | 1050 |
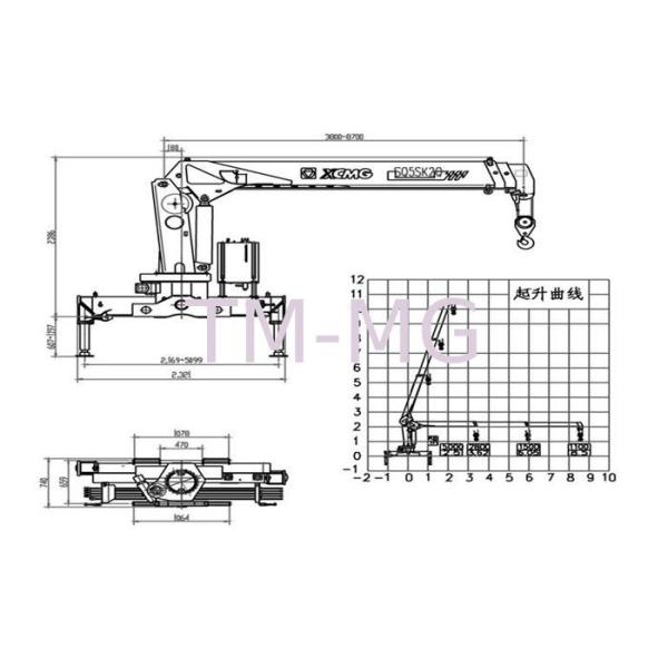
Dimension drawing


Optional parts:
1. Moment limited device


| Stabilizer leg | Spread |
| Fixed | 2179mm |
| Single extension | 2256-3556mm |
| Double extension | 2212-4752mm |
Competitive Advantage:
1, Single cylinder synchronization guy cable technology make work efficiency more higher than before
2, Advanced development means make sure that the design is very reliable
3, The more symmetrical center design of pentagon & hexagon boom make it has bigger anti-bending capacity
4, Compact Hinge point design take up smaller space
5, The work is more safety after fitted with overwind alarm equipment
6, The integer lifting winch improved the work efficiency greatly and prolonged work life of hydraulic system
7, Float three-point bridge structure design can lower the accessional stress on the chassis when traveling
8, Self-designed & developed slewing machine with greater drive force can meet varied requirements of working situation
9, Anti-slewing impulse equipment that make vehicle running safely.