8 Ton XCMG Articulated Boom Crane , 16 T.M Lifting Moment
Description:
Knuckle boom crane, help you loading goods on your truck. The crane will fold to compact size after working and will not affect the space of the carriage. The arms are driven by hydraulic, move fast, more effective. The arms can easy to reach narrow spaces like inside the workshop. More accessories like fork, grab bucket, can be attached for different goods loading.
Truck Loader Crane is a type of machine can carry heavy weights and transport them. The truck with crane mounted can load and unload the freight itself and don't need to employ another crane. The loader crane can freely route in 360 degrees, raise and extend, make the loading simple and economic. Compare to the mobile crane, truck loader cranes are more convenient and effective.
XCMG is the first company to develop newer design loader crane in China, shared more than 50% of the Chinese crane market for many recent years by the help of advanced design, good quality, attentive service and competitive price.
Together we define your needs and make the crane to match your request in every detail. The lifting capacity of our loader cranes spans from 1 to 25 ton and outreach over 26 meters.
Knuckle boom crane SQ8ZK3Q is lifting capacity is 8tons , moment is 16T.M.
Applications:
It can be applied on most common Commercial Truck-mounted Cranes. Range covers light to medium crane. With small mounting size and weight to save your payload, minimizing loading and unloading time, is the best choice of truck mounted crane facilities.
Specifications:
| Model | SQ8ZK3Q | Unit |
| Max Lifting Moment | 16 | t.m |
| Max Lifting Capacity | 8000 | kg |
| Recommend Power Needed At Recommend Oil Flow | 28 | kw |
| Max Oil Flow of Hydraulic System | 40 | L/min |
| Rated Pressure Of Hydraulic System | 28 | MPa |
| Oil Tank Capacity | 160 | L |
| Rotation Angle | (360°)All Rotation | . |
| Crane Weight | 2970 | kg |
| Installation Space | 1150 | mm |
| Choice of Chassis | CA1176PK2L9T3A95 ; CA1170PK2L7T3EA80 ; CA1240PK2L7T4EA81 ; HFC1202KR1K3 ; EQ5161GFJ7 ; BJ1317VNPJJ-S5 ; EQ5201GFJ6 ; CA1200PK2L7T3EA80 ; LZ1160LCMT DFL1250A9 ; BJ5317ZNPJJ-S ; CA1253P7K2L11T1E ; EQ1252GFJ ; ND1255B50J ;
| |
| SQ8ZK3Q Lifting capability diagram | |||||
| Working radius (m) | 2 | 4.175 | 5.995 | 7.785 | 9.755 |
| Lifting capacity (kg) | 8000 | 3700 | 2400 | 1700 | 1250 |
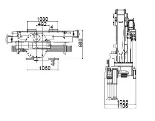
Dimension Drawing:


Optional parts:
1.Remote control equipment

2.Moment limited valve

3.High seat on column

4.JIB

5.Assisatant stabilizer leg

| Stabilizer leg | Spread |
| Fixed | 2179mm |
| Single extension | 2256-3556mm |
| Double extension | 2212-4752mm |
Competitive Advantage:
1, Advanced development & analysis means make sure design is very reliable
2, Higher lifting capacity with tour Connected bar mechanism
3, Flange telescopic boom coupling technology
4, Self-designed & developed slewing machine with greater drive force can meet varied requirements of working situation
5, The more symmetrical center design of hexagon boom make it has bigger anti-bending capacity
6, Float three-point bridge structure design can lower the accessional stress on the chassis frame when traveling