Specifications
Brand Name :
JUYI
Model Number :
JY213H
Certification :
iso
Place of Origin :
China
MOQ :
10 pcs
Price :
Negotiable
Payment Terms :
L/C,T/T,Palpal
Supply Ability :
10000pcs/day
Delivery Time :
5-8 days
Packaging Details :
PE bag+ carton
Model :
JY213H
High-side supply voltage :
–0.3 to 600 V
Low-side supply voltage (Vcc) :
-0.3 to 20V
Dead time :
0.1μs
High-side driver source/sink current :
160 / 340 A
Low-side driver source/sink current :
160 / 340 A
Junction temperature :
-40 to 125°C
Description
JY213H 600V Three-Phase Gate Driver IC | High-Speed MOSFET & IGBT Driver
Overview

The JY213H is a high-speed power MOSFET and IGBT driver featuring three independent high-side and low-side output channels for three-phase gate driving applications. The chip integrates built-in dead time and shoot-through protection, effectively preventing damage to the half-bridge circuit. To avoid damage to the power devices caused by low supply voltage operation, an internal undervoltage lockout (UVLO) circuit is included.

With advanced high-voltage BCD process technology and built-in common-mode noise cancellation, the high-side driver can operate stably even in high dv/dt noise environments.

Key Features
  • Integrated 600V three-phase half-bridge high-side and low-side drivers
  • Built-in dead time
  • Integrated shoot-through protection
  • Undervoltage lockout (UVLO) for both high-side and low-side drivers
  • Compatible with 3.3V, 5V, and 15V logic levels
  • Dead time: 0.1 μs (typ.)
  • Excellent dv/dt common-mode noise immunity
  • Capable of withstanding negative transient voltages
  • Operating temperature range: -40°C to 125°C
Applications
  • Brushless DC motor (BLDC) drive systems
  • Other three-phase inverter applications
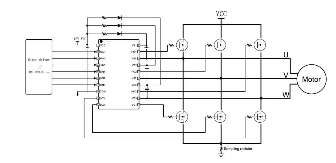
Typical Application Circuit
JY213H 600V Three-Phase Gate Driver IC | High-Speed MOSFET & IGBT Driver for 3 phase bldc motor controller
Package & Pin Descriptions (SOP-20)
JY213H 600V Three-Phase Gate Driver IC | High-Speed MOSFET & IGBT Driver for 3 phase bldc motor controller JY213H 600V Three-Phase Gate Driver IC | High-Speed MOSFET & IGBT Driver for 3 phase bldc motor controller
Absolute Maximum Ratings
JY213H 600V Three-Phase Gate Driver IC | High-Speed MOSFET & IGBT Driver for 3 phase bldc motor controller
Send your message to this supplier
Send Now

JY213H 600V Three-Phase Gate Driver IC | High-Speed MOSFET & IGBT Driver for 3 phase bldc motor controller

Ask Latest Price
Watch Video
Brand Name :
JUYI
Model Number :
JY213H
Certification :
iso
Place of Origin :
China
MOQ :
10 pcs
Price :
Negotiable
Contact Supplier
video
JY213H 600V Three-Phase Gate Driver IC | High-Speed MOSFET & IGBT Driver for 3 phase bldc motor controller
JY213H 600V Three-Phase Gate Driver IC | High-Speed MOSFET & IGBT Driver for 3 phase bldc motor controller
JY213H 600V Three-Phase Gate Driver IC | High-Speed MOSFET & IGBT Driver for 3 phase bldc motor controller
JY213H 600V Three-Phase Gate Driver IC | High-Speed MOSFET & IGBT Driver for 3 phase bldc motor controller
JY213H 600V Three-Phase Gate Driver IC | High-Speed MOSFET & IGBT Driver for 3 phase bldc motor controller

Shanghai Juyi Electronic Technology Development Co., Ltd

Verified Supplier
8 Years
shanghai, shanghai
Since 2010
Business Type :
Manufacturer
Total Annual :
5000000-10000000
Employee Number :
100~200
Certification Level :
Verified Supplier
Contact Supplier
Submit Requirement