Pump Technical Parameter:
| N0. | Item | Parameters | Remark |
| 1 | Rated Voltage | DC24V | |
| 2 | Working Voltage | DC~32V | |
| 3 | Rated Power | 280W | |
| 4 | Rated performance | H=20m, Q≥2000L/h, I≤12.5A | |
| 5 | Service life | ≥20000h | |
| 6 | Working Noise | ≤60 dB | |
| 7 | Ambient temperature | -50℃~125℃ | |
| 8 | Motor insulation grade | Class F | |
| 9 | Class of protection | IP68 | |
| 10 | Working medium | anti-freezing liquid | |
| 11 | Control mode | PWM or CAN(optional) |
JP-SH300 Brushless water pump
Boosting/circulation/Variable-frequency/Low-noise/centrifugal pump
PWM control / CAN BUS(optional)
Applications:
Widely used in hybrid bus, hybrid
passenger car, electric vehicles, trains,
ships and other heating and
cooling circulation system.
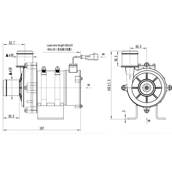
JP-SH300 Water pump Drawing:


JP-SH300 performance curve

JP-SH300 Connector Description:

Brushless water pump Main Features:
1. Constant power: The water pump power is basically constant when the supply voltage dc9v-16v changes;
2. Overtemperature protection: When the environment temperature over 100 ℃ (limit temperature), the pump start self protection function, in order to guarantee the life of the pump, it is recommended the installation in the low temperature or air flow better location).
3. Over-voltage protection: The pump enters DC28V voltage for 1min, the internal circuit of the pump is not damaged;
4. Blocking rotation protection: When there is entry of foreign material in the pipeline, causing the water pump to plug and rotate, the pump current suddenly increases, the water pump stops rotating (the water pump motor stops working after 20 restarts, if the water pump stops working, the water pump stops working), the water pump stops working, and the water pump stops to restart the water pump and restart the pump to resume normal operation;
5. Dry running protection: In the case of no circulating medium, the water pump will operate for 20 seconds or less after full startup.
6. Reverse connection protection: The water pump is connected to the DC28V voltage, the polarity of the power supply is reversed, maintained for 1min, and the internal circuit of the water pump is not damaged;
7. PWM speed regulation function
8 and fault output high level function
9. Soft start
