Description:
The JY213L is a high-speed 3-phase gate driver for power MOSFET and IGBT devices with three independent high and low side referenced output channels. Built-in dead time protection and shoot-through protection prevent damage to the half-bridge. The UVLO circuits prevent malfunction when VCC and VBS are lower than the specified threshold voltage. A novel high-voltage BCD process and common-mode noise canceling technique provide stable operation of high-side drivers under high dV/dt noise conditions while achieving excellent negative transient voltage tolerance. An enable pin (EN) is included so that standby mode may be used to set the chip into a low quiescent current state to realize long battery lifetime.
Features:
• Integrated 90V half-bridge high side driver
• Ability to drive up to 3-phase half-bridge gates
• Built-in boot strap diode for each high side channel
• Built-in dead time protection
• Shoot-through protection
• Under voltage lockout for VCC and VBS
• Low operation voltage 0–5.5V for VCC and VBS
• 3.3V and 5V input logic compatible
• Enable pin (EN) for low standby current
• IO+/IO-: +1.2A/–2.0A at VCC=15V, VBS=15V
• Built-in dead time
• Common-mode dV/dt noise cancellation circuit
• Tolerant of negative transient voltage
• Low dI/dt gate drive for better noise immunity
• –40ºC to 125ºC operating range
• Small footprint package
Applications:
• E-BIKE/electric power tool 3-phase motor driver
• Battery-powered mini/micro motor control
• General purpose inverter
Block Diagram:

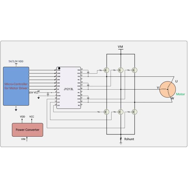
Typical Application Circuit:

PIN Configuration:

PIN Descripition:
| Pin Name | Description | Pin No. | |
| TSSOP20L | TSSOP24L | ||
| HIN1 | Logic input for phase-1 high-side gate driver | 1 | 1 |
| HIN2 | Logic input for phase-2 high-side gate driver | 2 | 2 |
| HIN3 | Logic input for phase-3 high-side gate driver | 3 | 3 |
| LIN1 | Logic input for phase-3 low-side gate driver | 4 | 4 |
| LIN2 | Logic input for phase-3 low-side gate driver | 5 | 5 |
| LIN3 | Logic input for phase-3 low-side gate driver | 6 | 6 |
| EN | Logic input for standby mode control | - | 7 |
| VCC | Logic and low-side gate drivers power supply voltage | 7 | 8 |
| COM | Logic ground and low-side gate drivers ground | 8 | 9 |
| LO3 | Phase-3 low-side gate driver output | 9 | 10 |
| LO2 | Phase-2 low-side gate driver output | 10 | 11 |
| LO1 | Phase-1 low-side gate driver output | 11 | 12 |
| NC. | - | 13 | |
| VS3 | Phase-3 high-side driver floating supply offset voltage | 12 | 14 |
| HO3 | Phase-3 high-side driver output | 13 | 15 |
| VB3 | Phase-3 high-side driver floating supply | 14 | 16 |
| NC. | Not connected | - | 17 |
| VS2 | Phase-2 high-side driver floating supply offset voltage | 15 | 18 |
| HO2 | Phase-2 high-side driver output | 16 | 19 |
| VB2 | Phase-2 high-side driver floating supply | 17 | 20 |
| NC. | Not connected | - | 21 |
| VS1 | Phase-1 high-side driver floating supply offset voltage | 18 | 22 |
| HO1 | Phase-1 high-side driver output | 19 | 23 |
| VB1 | Phase-1 high-side driver floating supply | 20 | 24 |
Package Information:


For More products information details, please contact with us via email: ivanzhu@junqitrading.com