ISO 80369 - 3 2016 Small bore connector for liquids and gases in healthcare application - Part 3.

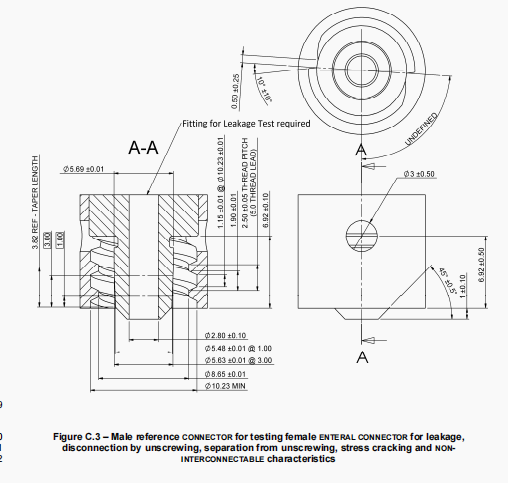
Figure C.3 – Male reference CONNECTOR for testing female ENTERAL CONNECTOR for leakage .disconnection by unscrewing, separation from unscrewing, stress cracking and NON-INTERCONNECTABLE characteristics





