Hydrodynamic coupling BSJ1200L 4140 m³/h 11kW Roots Vacuum Pump, Mechanical Booster Vacuum Pump
Description :
Roots vacuum pumps ,which are also called Roots blowers,are rotary plunger type pumps where two symmetrically shaped impellors rotate in opposite directions inside the pump housing.
Characteristics:
Technical Parameter :
| Model | Units | BSJ1200LC | |
| Pumping Rate | 50 Hz | m³h-1 / Lmin-1 | 4140/69013 |
| 60 Hz | 4985/83099 | ||
| Max Inlet Pressure | 50Hz | Pa | 6.0x103 |
| 60Hz | Pa | 5.0x103 | |
|
Ultimate Vacuum
| Pa/ mbar |
0.4/4×10-3
| |
| Motor Power | kW(hp) | 11 (14.8) | |
| Lubricating oil specification | L | BSO-46 | |
| Gear Cover | L | 3.5 | |
| Hydraulic | L | 6.5 | |
| Shaft seal reservoir | L | 1.5 | |
| Inlet | -- | ISO250 | |
| Outlet | -- | ISO100 | |
| Cooling Method | Water cooled | ||
| Ambient Temp. | ℃ | 5~35 | |
Note: The value of 'Ultimate Pressure' in this sheet is measured by Pirani gauge when the Baosi special pump oil is used,and the value should be 4x10-3 if the Mcleod gauge is used.
The cooling water temperature of inlet port must be 5~30℃ When the temperature is too low, keep it in an environment that is not easy to condense.
Performance Curve:
Power:380V-50Hz
Vaccum gauge:Pirani vacuum gauge
Vacuum pump oil:special oil for BAOSI vacuum pump

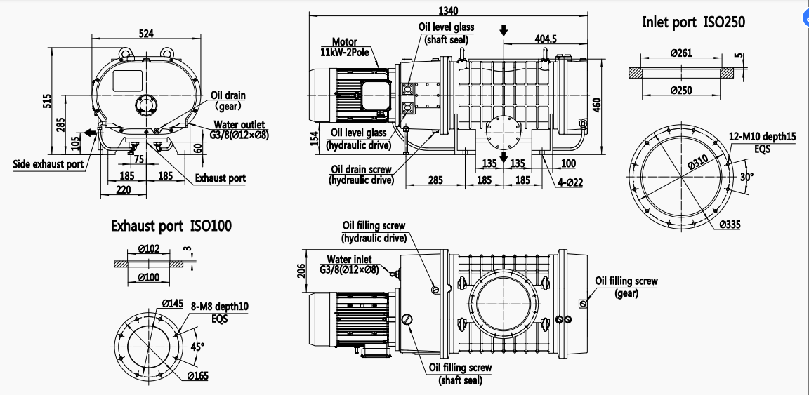
Dimensions:

Applications
We provide you with individual support,we train you and we offer 24/7 service worldwide.