INA RCJTZ35 Two-bolt Flange Pillow Block Ball Bearing in cast iron
1.Type: two-bolt flange housing units
2.Material: cast iron or cast steel
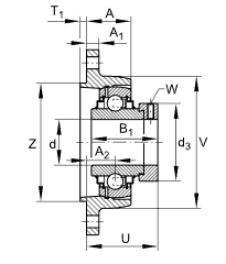
3.Specification:


| Part number | RCJTZ35 |
| d | 35 mm |
| H | 155 mm |
| U | 49.5 mm |
| A | 26.5 mm |
| A1 | 12.5 mm |
| A2 | 17 mm |
| B1 | 51.3 mm |
| d3 max | 55 mm |
| J | 130 mm |
| L | 94 mm |
| N | 14 mm |
4.Feature:
(1) Eccenric locking collar
(2) R seals
(3) Cast iron
(4) Centring spigot
5.Bearing photos:



If you want to RCJTZ35 pillow block ball bearing,just contact us.