Cheap 3nh professional color matching software Matchcolor
MatchColor is a full software with 6 modules. As far as it is very complete, it is mainly dedicated to big factory which have a color laboratory with colorist using it all day long. The 6 modules are:
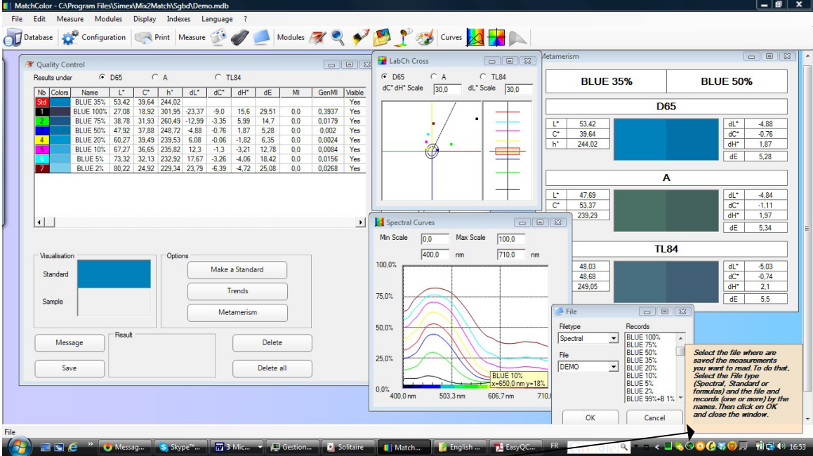
1- Color Quality Control with different indexes (WI, YI, Opacity, Color strength) and graphics.
2- Approach Search which allows to classify all colors in a file (spectral or formulas files) from a standard.
3- Colorant Characterization: This module uses a spectral file of all colorants letdowns (some mixtures with white and one with black) and measurements (made in general with quality control module). It allows calculating and displaying the fitting curves of K (light absorption) and S (light diffusion) versus concentration. It allows building up what we call a colorant file.
4- Formulation by Combination: This formulation module combines all the colorant of a colorant file to calculate thousands of formula and display the best regarding DE, price or metamerism.
5- Manual/Automatic Formulation: With this module, the user selects manually the colorants he wants to use in the formula. Then formulation can be calculated automatically by curve fitting or by color coordinate. This mode can be very useful in a research laboratory to do simulations.
6 - Correction Module: 2 correction modes are available:
- Correction by reformulation. The software calculates a new formula which give the correction to match the standard
- Correction by adding. The software calculates the minimum quantity of each colorant you need to add in a given basic quantity. This mode is also used to recycle work off products.
Application:
MatchColor can support 3nh spectrophotometer, Konica Minolta Spectrophotometer and Datacolor spectrophotometer.
It can be wildly used in the field of color matching for car painting industry, printing industry, plastic industry, textile industry, etc.
Any more doubts about this software,please don't hesitate to contact me for more details.
Some Details:




